NXP Semiconductors TEA2017AAT LLC- und Multimodus-PFC-Controller
Der NXP Semiconductors TEA2017AAT LLC- und Multimodus-PFC-Controller ist ein digital konfigurierbarer LLC- und PFC-Kombi-Controller für Resonanznetzteile mit hohem Wirkungsgrad. Das Bauteil enthält einen LLC-Controller und einen PFC-Controller-Funktionsumfang. Der TEA2017AAT kann Benutzern dabei helfen, ein komplettes resonantes Netzteil zu erstellen, wodurch das Design mit einer geringen Anzahl Komponenten vereinfacht wird.Die digitale Architektur basiert auf einer konfigurierbaren Hochgeschwindigkeits-Hardware-Zustandsmaschine, die eine zuverlässige Echtzeitleistung gewährleistet. Jede Konfiguration kann gesichert werden, um ein unbefugtes Kopieren des proprietären TEA2017AAT Konfigurationsinhalts von NXP Semiconductors zu verhindern. Das Bauteil ist in einem SO16-Gehäuse mit niedrigem Profil und schmaler Gehäusebreite verfügbar.
Merkmale
- Vollständiger Funktionsumfang eines PFC- und LLC-Controllers in einem einzigen kleinen SO16-Gehäuse
- Integriertes Hochspannungs-Einschalten
- Integrierte Treiber und Hochspannungs-Pegelwandler (Level Shifter, LS)
- Der High-Side-Treiber wird direkt vom Ausgang des Low-Side-Treibers versorgt
- Genaue Aufwärtsspannungsregelung
- PFC kann für den Betrieb in Folgendem konfiguriert werden:
- DCM/QR
- DCM/QR/CCM (wird auch als Multimodus-Betrieb bezeichnet)
- CCM-Festfrequenz
- Integrierte X-Kondensatorentladung ohne zusätzliche externe Komponenten
- Power-Good-Funktion
- PFC-Jitter für optimierte EMI-Leistung
- Hervorragender Leistungsfaktor (PF) und Klirrfaktor (THD), da der PFC-Strom den Eingangsfilterstrom kompensiert
- Mehrere Parameter können während der Evaluierung mit der grafischen Benutzeroberfläche (GUI) einfach konfiguriert werden, wie z. B.
- Betriebsfrequenzen außerhalb des hörbaren Bereichs in allen Betriebsmodi
- Sanfter Start und sanfter Stopp im Burst-Modus, wodurch das hörbare Geräusch reduziert wird
- Genaue Übergangspegel zwischen den Betriebsmodi (Hochleistungsmodus/Stromsparmodus/Burst-Modus)
- Aktivieren/Deaktivieren des Stromsparmodus
- Tal-/Nullspannungsschaltung für minimale Schaltverluste
- Extrem hoher Wirkungsgrad von niedriger bis hoher Last
- Konform mit den aktuellsten Energiesparstandards und -richtlinien (Energy Star, EuP)
- Ausgezeichnete Nulllast-Eingangsleistung (< 75 mW für TEA2017AAT/TEA2095T-Kombination)
- Unabhängig konfigurierbare Stufen und Timer
- Zahlreiche Schutzfunktionen können unabhängig voneinander auf „Verriegelt“, „Sicherer Neustart“ oder „Verriegelt nach mehreren Neustartversuchen“ eingestellt werden.
- Unterspannungsschutz der Versorgung (UVP)
- Überspannungsschutz (OPP)
- Interner und externer Übertemperaturschutz (OTP)
- Kapazitive Regelung (CMR)
- Präziser Überspannungsschutz (OVP)
- Überstromschutz (OCP)
- Einschaltstromschutz (ICP)
- Brown-in/Brown-out-Schutz
- Eingang deaktivieren
Applikationen
- Desktop- und All-in-One-PCs
- Gaming-Netzteile
- LCD-Fernseher
- Notebook-Adapter und Universal-Adapter
- Drucker
- Server
- 5G-Stromversorgungen
- UHD-LED-Fernseher
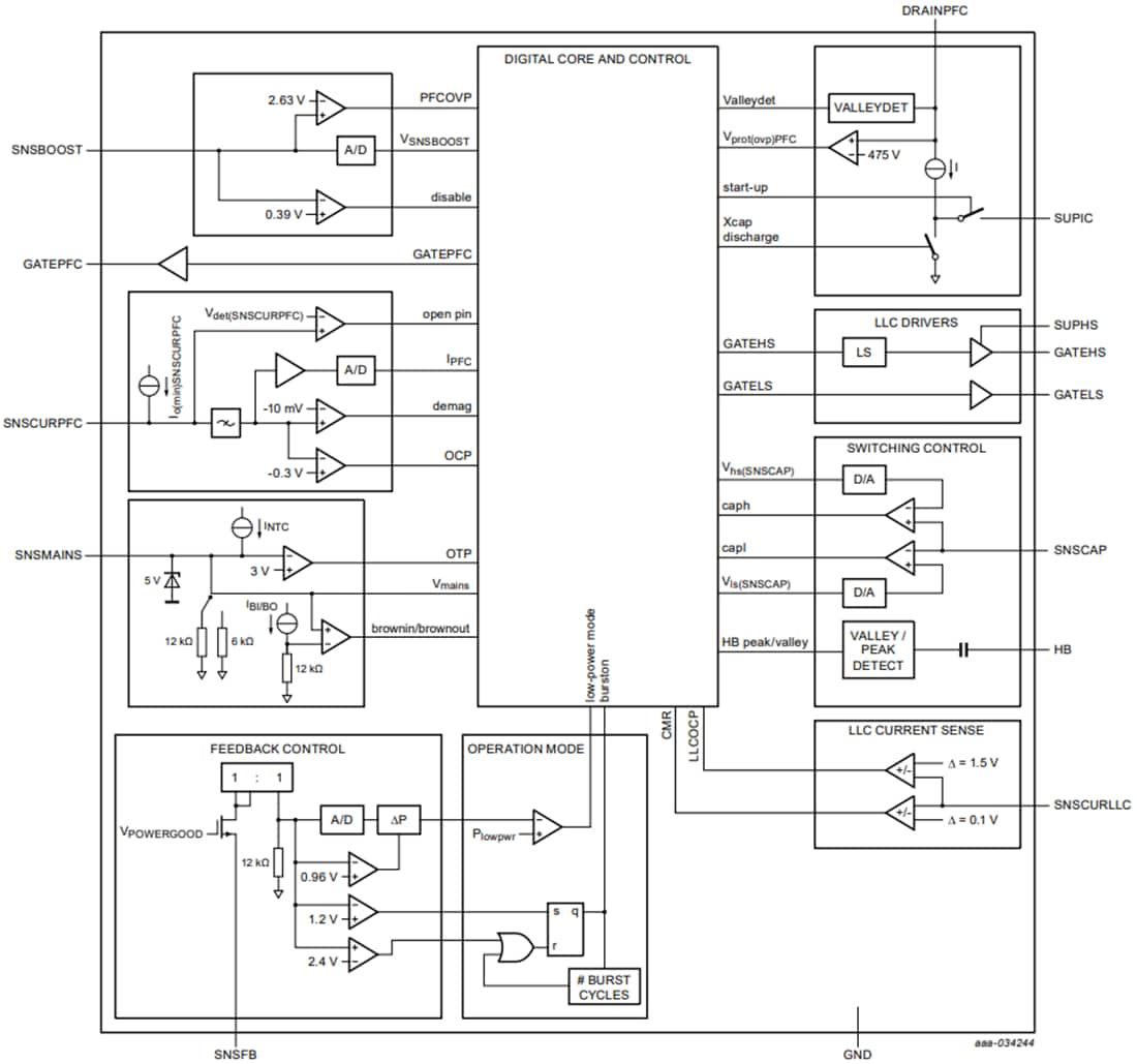
Blockdiagramm
Veröffentlichungsdatum: 2022-05-18
| Aktualisiert: 2023-09-26
