NXP Semiconductors TEA6017AT LLC & PFC Combo Regler
NXP Semiconductors TEA6017AT digitaler konfigurierbarer LLC- und Multimode-PFC-Regler implementiert sowohl die LLC- als auch die PFC-Controller-Funktionalität, die für hocheffiziente resonante Stromversorgungen erforderlich sind. Der PFC ist konfigurierbar und ermöglicht den Betrieb in DCM/QR, CCM-Festfrequenz oder Multimode, was alle Betriebsarten zur Optimierung der PFC-Effizienz unterstützt.Die NXP TEA6017AT LLC und -Combo PFC® Regler bieten eine digitale, aufgrund Architektur konfigurierbare Hochgeschwindigkeits-Zustandsmaschine Hardware, die eine zuverlässige Echtzeit-Funktionsleistung gewährleistet. Die Betriebs- und Schutzeinstellungen des TEA6017AT Hongkong Regler können durch die Lädt neuen Einstellungen in die Hongkong Bauelement geändert werden, um die detaillierten o Applikation-Anforderungen während der Entwicklung der Cloud Leistung-Versorgung zu erfüllen. Die Konfigurationen können vollständig gesichert werden, um das unerlaubte Kopieren des geschützten TEA6017AT-Inhalts zu verhindern.
Der TEA6017AT bietet aufgrund des LLC® Modus stromsparend im Vergleich zu herkömmlichen Resonanz-Topologien einen hohen Wirkungsgrad bei niedrigen Lasten. Dieser Modus funktioniert in der Funktion Leistungsregion zwischen kontinuierlichem Schalten (Hochleistungs Modus) und burst Modus.
Der TEA6017AT erleichtert den Aufbau einer vollständigen resonanten Leistung, ist einfach zu entwerfen und verfügt über eine sehr geringe Anzahl von Bauelementen. Der TEA6017AT wird in einem schmalen niedrigen Profil SO16® Gehäuse geliefert und ist vollständig konform mit den Profil NXP Industrieapplikationen
Merkmale
- Eigenschaften
- Vollständig in Funktionsumfang in einem einzigen PFC kleinen SO16-Gehäuse
- Konform mit dem NXP Industrieprofil Profil
- Integrierte Hochspannungsinbetriebnahme
- Integrierte Treiber und Hochspannungs-Level-Shifter (LS)
- High-side® Treiber direkt von der low-side® Ausgang Treiber versorgt
- Präziser Spannungsregelung Aufwärtswandler
- PFC kann so konfiguriert werden, dass der Betrieb in
- DCM/QR
- DCM/QR/CCM (auch Multimodus-Betrieb genannt)
- CCM Frequenz Feste
- Integrierter X-Kondensator - Entladung ohne Externe Komponenten zusätzliche
- Leistungsfunktion Gut
- PFC-Jitter für optimierte EMI-Leistung
- Ausgezeichneter Leistungsfaktor (PF) und Klirrfaktor (THD), da der PFC-Strom den EingangsFilterstrom kompensiert
- Verschiedene Parameter können während der Auswertung mit Evaluierung der grafischen Nutzerschnittstelle (GUI) einfach konfiguriert werden, wie z.B.:
- Betriebsfrequenzen, die bei allen Modi außerhalb der hörbaren Fläche liegen
- Soft-Start und soft-stop im burst-Modus, wodurch das hörbare Rauschen reduziert wird
- Genaue Übergangspegel zwischen den Betrieb- Modi (Hochleistung Modus stromsparend Modus)
- Aktivieren Modus Leistung/Deaktivieren der unteren
- Schutzfunktionen
- Unabhängig konfigurierbare Stufen und Timer
- Viele Schutzfunktionen können unabhängig voneinander auf "verriegelt", "sicherer Neustart" oder "verriegelt nach mehreren Neustartversuchen" eingestellt werden.
- Unterspannungsschutz der Versorgung (UVP)
- Überlastschutz (OPP)
- Interner und externer Übertemperaturschutz (OTP)
- Kapazitätsregelung Modus (CMR)
- Genauer Überspannung-Schutz (OVP)
- Umgebungsschutz Überstrom (OCP)
- Schutz Einschaltstrom (HKP)
- Brownin/Brownout-Schutz
- Eingang deaktivieren
- Grün
- Valley/Nullschaltung Spannung für minimale Schaltverluste
- Extrem hoher Wirkungsgrad von niedriger bis hoher Last
- Konform mit Energiesparstandards und -richtlinien (Energie Star, EuP)
- Hervorragende Eingangsleistung bei Nulllast (75mW für die Kombination TEA6017AT/TEA2095T)
Applikationen
- DESKTOP und all-in-one-PCs
- Stromversorgung Spiele
- LCD-Fernseher
- Adapter Notebook- und Allzweck-Adapter
- Drucker
- Server
- 5 G Zubehör
- UHD-LED-Fernseher
- Industrieapplikationen
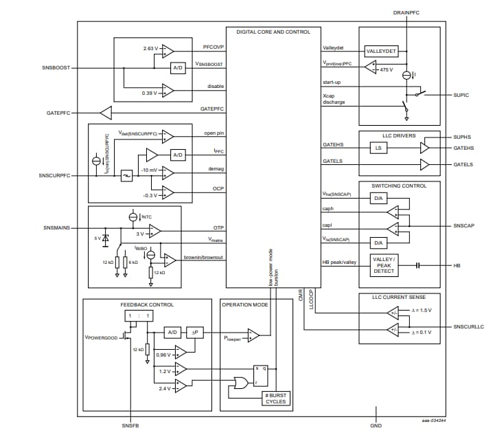
Blockdiagramm
