Omron Industrial Automation J7MC Manueller Motoranlasser
Die manuellen Motorstarter J7MC von Omron Industrial Automation bieten eine hohe Auslösekapazität (100 kA/440 VAC max.) zur Abschaltung eines großen Stroms bei Kurzschlussunfällen. Dieses Motorschutz-Leistungsschalter-System (MPCB) verwendet Wippschalter und Drehschalter zum Schutz vor Überlastungen, Phasenausfällen und Kurzschlüssen. In Kombination mit dem J7KC Magnetschütz eignet sich der J7MC hervorragend für die Steuerung von Motoren der Klasse AC-3, 2,2 kW (200 VAC bis 240 VAC) oder 5,5 kW (380 VAC bis 440 VAC). Die Push-In-Plus-Verdrahtungstechnologie spart Verdrahtungs- und Wartungszeit. Die J7MC manuellen Motoranlasser von Omron sind standardmäßig mit einer Abdeckung für die Bedienelemente ausgestattet, um versehentliche Einstellungsänderungen zu verhindern. Darüber hinaus ist das Bauteil mit einem Vorhängeschloss abschließbar, um die Sicherheit beim Einschalten zu gewährleisten. Diese kompakten Module verfügen über eine einheitliche Breite von 45 mm, um die Größe der Steuertafeln zu reduzieren.Merkmale
- MPCB-System schützt vor Überlast, Phasenausfall und Kurzschluss
- Kompaktes montierbares Modul mit 45 mm Breite
- Push-In-Plus-Verdrahtungstechnologie spart Verdrahtungs- und Wartungszeit
- In Kombination mit dem J7KC Magnetschütz eignet sich der J7MC ideal für die Steuerung von Motoren der Klasse AC-3, 2,2 kW (200 VAC bis 240 VAC) oder 5,5 kW (380 VAC bis 440 VAC)
- Standardmäßig mit einer Abdeckung für das Wählrad ausgestattet, um versehentliche Einstellungsänderungen zu verhindern
- Abschließbar mit einem Vorhängeschloss, um die Sicherheit beim Einschalten zu gewährleisten
- Zertifiziert als konform mit den wichtigsten Sicherheitsstandards
Applikationen
- PCB-Montage-Produktionslinien
- Motorleistungschalter
Technische Daten
- 100kA/440VAC maximales Schaltvermögen
- Auslöseklasse
- 10 Auslösungen innerhalb von 4 Minuten bei 150 % (z. B. bei Hot-Start)
- Auslösung in 4 s bis 10 s bei 720 % (d. h. beim Kaltstart)
- Nennstrom: 0,16 AA bis 20 AA
- Drei Pole
- 690 VAC-Nennisolationsspannung
- 6 kV Impuls-Nenndurchschlagsfestigkeit
- Nennfrequenz: 50 Hz bis 60 Hz
- IP20-Schutzart
- Betriebstemperaturbereich: -20 °C bis +60 °C
- 95 % rF (keine Kondensation oder Vereisung)
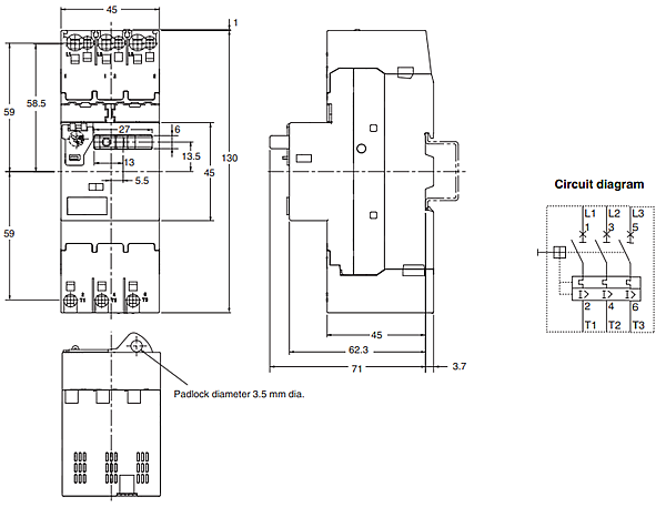
J7MC-3R Abmessungen (mm)
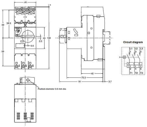
J7MC-3P Abmessungen (mm)
Veröffentlichungsdatum: 2020-03-27
| Aktualisiert: 2024-03-27
