onsemi FOD8383/4 Hochgeschwindigkeits-MOSFET/IGBT Gate-Drive-Optokoppler
Die FOD8383/4 Hochgeschwindigkeits-MOSFET/IGBT Gate-Drive-Optokoppler sind 2,5A Ausgangsstrom-Gate-Drive-Optokoppler, die IGBT/MOSFETs des mittleren Leistungsbereichs betreiben können. Sie eignen sich hervorragend für den schnellen Antrieb von Leistungs-IGBTs und MOSFETs in Motoransteuerungsanwendungen und Hochleistungssystemen. Der FOD8383/4 verwendet die koplanare Optoplanar®-Gehäusetechnik von Fairchild und das optimierte IC-Design, um zuverlässige hohe Isolationsspannung und hohe Geräuschimmunität zu erreichen. Jedes Gerät besteht aus einer Aluminium-Gallium-Arsenid (AlGaAs) Licht emittierenden Diode (LED), die optisch an einen integrierten Schaltkreis mit einem Hochgeschwindigkeitstreiber für Push-Pull-MOSFET-Ausgangsphasen gekoppelt ist.Merkmale
- 2.5A output current driving capability
- P-channel MOSFET at output stage enables output voltage swing close to supply rail
- 35kV/μs minimum common mode rejection
- 15V to 30V supply voltage range
- Fast switching speed over full operating temperature range
- 210ns maximum propagation delay
- 65ns maximum pulse-width distortion
- Under-Voltage Lockout (UVLO) with hysteresis
- -40°C to +100°C industrial temperature range
- Safety and Regulatory Approvals:
- UL1577, 5000VACRMS for 1 minute
- DIN-EN/IEC60747-5-5, 1414V peak working insulation voltage
Applikationen
- AC and brushless DC motor drives
- Industrial inverter
- Uninterruptible power supply
- Induction heating
- Isolated IGBT/power MOSFET gate drive
Additional Resources
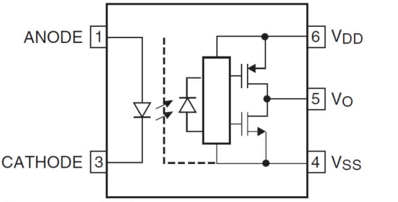
Functional Schematic
Veröffentlichungsdatum: 2014-09-25
| Aktualisiert: 2022-03-11
