onsemi FSB50xxx Advanced Motion SPM®-Module der 5-Serie
Die Module der Fairchild FSB50xxx Advanced Motion SPM® Serie 5 bieten eine hochleistungsfähige Inverter-Endstufe für AC-Induktionsmotoren, BLDC-Motoren und PMSM-Motoren, die alle Leistungsmerkmale enthält. Diese Module integrieren optimierte Gate-Treiber der integrierten MOSFETs (FRFET® oder SuperFET®-Technik) zur Reduzierung von EMI und Verlusten und stellt gleichzeitig mehrere On-Modul-Schutzfunktionen einschließlich Abschaltung bei Unterspannung und Wärmeüberwachung bereit. Die eingebaute Hochgeschwindigkeits-HVIC benötigt nur eine einzige Spannungsversorgung und wandelt die eingehenden Logikebenen-Gate-Eingänge in die Hochspannungs-, Hochstromantriebssignale um, die für den entsprechenden Antrieb der internen MOSFETs des Moduls notwendig sind. Separate Open-Source-MOSFET-Anschlüsse sind für jede Phase verfügbar, um die größte Vielfalt von Steuerungsalgorithmen zu unterstützen.Merkmale
- UL certified no. E209204 (UL1557)
- FRFET or SuperFET MOSFET 3-phase inverter with gate drivers and protection
- Built-in bootstrap diodes that simplify PCB layout
- Separate open-source pins from low-side MOSFETs for three-phase current-sensing
- Active-HIGH interface, works with 3.3V/5V logic, and Schmitt-trigger input
- Optimized for low electromagnetic interference
- HVIC temperature-sensing built-in for temperature monitoring
- HVIC for gate driving and undervoltage protection
- 1500Vrms /1 min. isolation rating
- RoHS compliant
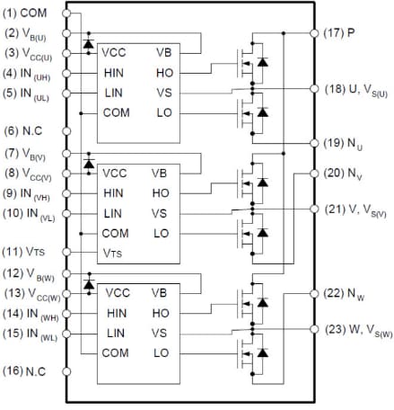
Block Diagram
Videos
View Results ( 8 ) Page
| Teilnummer | Datenblatt | Beschreibung | Betriebsversorgungsstrom | Verpackung/Gehäuse |
|---|---|---|---|---|
| FSB50550BB | ![]() |
Motor / Bewegung / Zündungscontroller und Treiber V3 INV 500V 3OHM | 900 uA | SPM5T-21 |
| FSB50550AS | ![]() |
Intelligente Leistungsmodule – IPMs PWM Controller mWSaver | SPM5Q-23 | |
| FSB50450AS | ![]() |
Intelligente Leistungsmodule – IPMs Smart Power Module | SPM-23 GD | |
| FSB50250AS | ![]() |
Intelligente Leistungsmodule – IPMs Smart Power Module | SPM-23 GD | |
| FSB50250AT | ![]() |
Intelligente Leistungsmodule – IPMs Smart Power Module | SPM-23 ED | |
| FSB50825AS | ![]() |
Intelligente Leistungsmodule – IPMs 250V, 2A, 3PHASE FRFET SMRT PWR MDLE | SPM5Q-23 | |
| FSB50550AB | ![]() |
Intelligente Leistungsmodule – IPMs Motion SPM | SPM23DD-21 | |
| FSB50550AT | ![]() |
Intelligente Leistungsmodule – IPMs Smart Power Module | SPM5N-23 |
Veröffentlichungsdatum: 2014-08-04
| Aktualisiert: 2024-01-05

