onsemi US2xA Gleichrichter zur Aufbaumontage
onsemi US2xA Gleichrichter zur Aufbaumontage verfügen über einen Spitzen-Durchlassstoßstrom von 50 A und eine Durchlassspannung von max. 1 bis 1,7 V. US2xA Gleichrichter bieten ein schnelles Schalten mit einer Sperrerholzeit von max. 50 bis 75 ns. Die Fairchild US2xA-Baureihe kann in einem Temperaturbereich von -55 bis +150 ºC betrieben werden.Merkmale
- Glass passivated chip junction
- High surge capacity
- Low forward voltage drop
- 50ns to 75ns maximum fast switching with reverse recovery time
- UL Flammability 94V-0 classification
- MSL 1 per J-STD-020
- RoHS compliant/green molding compound
- Industrial device qualified per AEC-Q101 standards
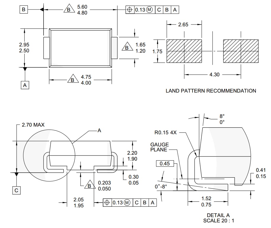
Dimensions
Veröffentlichungsdatum: 2016-03-30
| Aktualisiert: 2022-03-11
