onsemi ADT7476 Wärmeregler und Spannungswächter
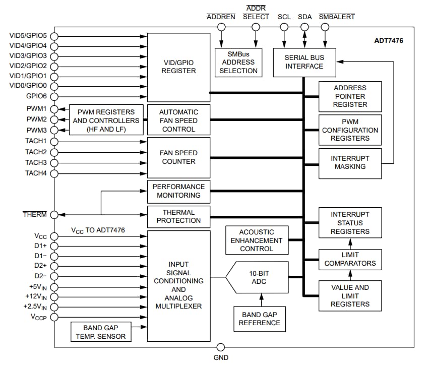
Der onsemi ADT7476 Wärmeregler und Spannungswächter ist ein Bauteil mit mehreren PWM-Lüfter-Controllern für rauschempfindliche oder leistungsempfindliche Applikationen. Der ADT7476 kann einen Lüfter entweder mit einem Nieder- oder Hochfrequenz-Ansteuersignal ansteuern. Dieses ADT7476 Bauteil kann die Temperatur von bis zu zwei Fernsensordioden und seine eigene interne Temperatur überwachen. Darüber hinaus steuert und misst der Controller die Geschwindigkeit von bis zu vier Lüftern und Lüfter, die mit einer möglichst niedrigen Geschwindigkeit für ein minimales akustisches Rauschen betrieben werden.Der automatische Regelkreis für die Lüftergeschwindigkeit optimiert die Lüftergeschwindigkeit für die jeweilige Temperatur. Die Effektivität der Wärmelösung für das System kann mithilfe des THERM-Eingangs überwacht werden. Darüber hinaus bietet der ADT7476 mit dem bidirektionalen THERM-Pin als Ausgang die wichtigen thermischen Schutzfunktionen zum System, um eine Überhitzung des Systems oder der Komponenten zu verhindern.
Merkmale
- Überwacht bis zu fünf Spannungen
- Steuert und überwacht bis zu vier Lüfter
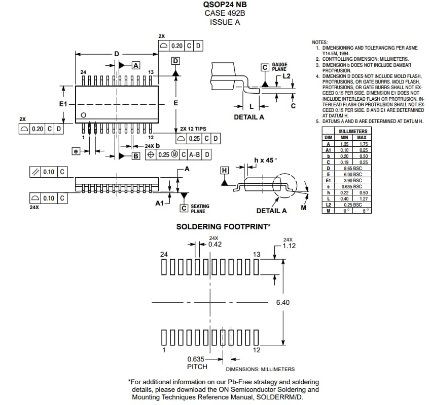
- QSOP-24-Gehäuse
- Hoch- und Niederfrequenz-Lüfteransteuersignal
- 1 On-Chip und 2 Fernbedienungssensoren für Temperaturmessung
- Erweiterter Temperatur-Messbereich: bis zu 191 °C
- Automatischer Lüftergeschwindigkeitsmodus steuert die Kühlung des Systems anhand der gemessenen Temperatur
- Erweiterter Akustikmodus verringert die Benutzerwahrnehmung der wechselnden Lüftergeschwindigkeit erheblich
- Wärmeschutzfunktion über THERM-Ausgang
- Überwachungsleistung mit Auswirkung auf Intel® Pentium® 4 Prozessor
- Wärmesteuerschaltung über THERM-Eingang
- Drei- und Vier-Draht-Geschwindigkeitsmessung für Lüfter
- Grenzwertvergleich aller überwachten Werte
- Erfüllt die Anforderungen gemäß der elektrischen Spezifikationen für SMBus 2.0
- Bleifrei, halogenfrei und RoHS-konform
ADT7476 Blockdiagramm
Abmessungen
Veröffentlichungsdatum: 2019-11-08
| Aktualisiert: 2024-01-31
