onsemi NCV57000 Isolierter Hochstrom-IGBT-Gate-Treiber

Die NCV57000 isolierten Hochstrom-IGBT-Gate-Treiber mit interner galvanischer Trennung von onsemi sind für einen hohen Systemwirkungsgrad und eine hohe Zuverlässigkeit in Hochleistungsapplikationen ausgelegt. Der NCV57000 verfügt über robuste Funktionen, einschließlich komplementäre Eingänge, Open-Drain-FAULT- und Ready-Ausgänge, eine aktive Millier-Klemme, präzise UVLOs, einen DESAT-Schutz, eine sanfte Abschaltung bei DESAT sowie separate hohe und niedrige (OUTH und OUTL) Treiberausgänge für ein einfacheres Systemdesign.

Merkmale

  • Hochstrom-Ausgang (+4 A/6 A) bei IGBT-Miller-Plateau-Spannungen
  • Niedrige Ausgangsimpedanz für verbesserten IGBT-Antrieb
  • Kurze Laufzeitverzögerungen mit genauem Abgleich
  • Aktive Miller-Klemme, um störendes Gate-Einschalten zu verhindern
  • DESAT-Schutz mit programmierbarer Verzögerung
  • Negative Spannungsfähigkeit (bis zu -9 V) für DESAT
  • Sanftabschaltung während IGBT-Kurzschluss
  • IGBT-Gate-Clamping bei Kurzschluss
  • IGBT-Gate-aktiver Pulldown
  • Genaue UVLO-Schwellwerte für Vorspannungsflexibilität
  • Großer Vorspannungsbereich einschließlich negativem VEE2
  • Eingangsversorgungsspannung: 3,3 V bis 5 V
  • Für die AEC−Q100-Zulassung ausgelegt
  • Galvanische Trennung (zur Erfüllung der UL1577-Anforderungen): 5.000 V
  • 1200 V Betriebsspannung (gemäß VDE0884-11 Anforderungen)
  • Hohe transiente Festigkeit
  • Hohe Beständigkeit gegen elektromagnetische Störungen
  • Bleifrei, halogenfrei und RoHS-konform

Applikationen

  • Automotive-Netzteile
  • HEV-/EV-Antriebsstrang
  • OBC
  • BSG
  • EV-Ladegeräte
  • PTC-Heizung

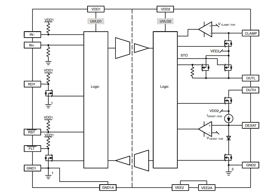
Vereinfachtes Blockdiagramm

Blockdiagramm - onsemi NCV57000 Isolierter Hochstrom-IGBT-Gate-Treiber

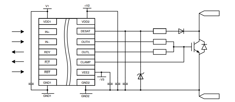
Vereinfachte Applikationsschaltpläne

Schaltplan - onsemi NCV57000 Isolierter Hochstrom-IGBT-Gate-Treiber
Veröffentlichungsdatum: 2019-04-30 | Aktualisiert: 2024-01-30