onsemi FUSB251 Type-C™-CC- und SBU-Schutz-IC
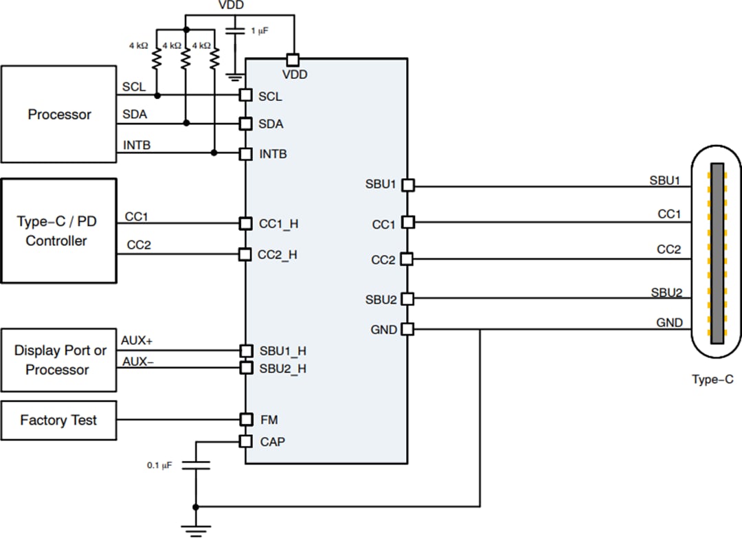
Der onsemi FUSB251 Type-C™-CC- und SBU-Schutz-IC ist ein I2C-gesteuerter Überspannungsschutzschalter, der für CC- und SBU-Pins auf einem Type-C-Schnittstellenanschluss ausgelegt ist. Das Bauteil verfügt über SPST-Schalter auf CC1/2 und SBU1/2, die automatisch mit einer gültigen VDD aktiviert werden, sodass der Type-C-PD-Controller den gegen Überspannung geschützten CC-Pfad verwenden kann. Der FUSB251 verfügt über einen Modus für entladene Batterien (Dead Battery Mode) und einen heruntergezogenen CC mit Rd, sodass das Quellgerät einen Vbus für das Laden der Batterie bereitstellen kann. Der FUSB251 bietet außerdem eine Feuchtigkeitserkennungsfunktion auf sowohl den CC- und SBU-Pfaden mit ADC-Erkennung. Wenn Feuchtigkeit erkannt wurde, wird ein Interrupt generiert und dementsprechend das Register zur Meldung an den Host aktualisiert. Der FUSB251 verfügt über einen On-Chip-IEC Schutz mit Überspannungsschutz sowohl auf den CC- als auch SBU-Pfaden. Sowohl die CC- als auch SBU-Anschlüsse sind 20-V-DC-tolerant.Der FUSB251 ist in einem kompakten 15-Ball-Wafer-Level-Chip-Scale-Gehäuse (WLCSP) von 1,49 mm x 2,06 mm x 0,574 mm untergebracht und eignet sich dadurch für platzbeschränkte Applikationen.
Merkmale
- SPST-Schalter mit niedrigem Ron sowohl auf dem CC12- als auch SBU1/2-Pfad für USB-Typ-C.
- Modus für entladene Batterien bietet einen Standard-Rd auf dem CC1/2
- 24-V-DC-tolerant auf CC und SBU
- Überspannungsschutz auf CC und SBU von ±35 V
- Überspannungsschutz auf CC und SBU
- I2C-Schnittstelle mit Prozessor mit Interrupt für Ereignismeldung
- Feuchtigkeitserkennung auf CC- und SBU-Pins
- On-Chip-IEC-ESD-Schutz mit externem Kondensator auf CAP-Pin
- CC Ron: 0,3 Ω (typisch)
- SBU Ron: 3 Ω (typisch)
- 50 MHz Bandbreite auf SBU-Schalter
- Gehäuseausführung: WLCSP-15
- Gehäuseabmessungen: 1,49 mm x 2,06 mm x 0,574 mm
Applikationen
- Smartphones
- Tablets, Netbooks, ultramobile PCs
- Spielkonsolen und E-Books
- Tragbare Geräte mit Li-Ion-Batterie
- Externer USB-Speicher
Typische Applikations-Schaltung
Blockdiagramm
Veröffentlichungsdatum: 2019-04-17
| Aktualisiert: 2024-01-30
