onsemi HCPL3700M Optokoppler
onsemi HCPL3700M Optokoppler sind Spannungs-/Stromschwellenwert-Erkennungsbauteile, die aus einer AlGaAs-LED bestehen, die mit einem Schwellenwerterfassungs-Eingangspuffer-IC verbunden ist. Dieser IC ist optisch mit einem Darlington-Ausgang mit hoher Gain gekoppelt. Diese Optokoppler enthalten einen Eingangspuffer-Chip, der Schwellenwerte über einen großen Bereich von Eingangsspannungen mit einem einzelnen Widerstand steuern kann. Der Ausgang ist TTL- und CMOS-kompatibel. Die HCPL3700M Optokoppler verfügen über eine programmierbare Messspannung und Logikpegel-Kompatibilität des Bauteils. Diese Optokoppler sind bleifrei und verfügen über einen garantierten Schwellenwert über einen Temperaturbereich von 0°C bis 70°C. Die HCPL3700M Optokoppler eignen sich für Niederspannungserkennung, AC/DC-Spannungsmessung von 5 V bis 240 V, Relais-Kontaktüberwachung, Strommessung, Mikroprozessor-Schnittstelle und Industriesteuerungen.Merkmale
- AC- oder DC-Eingang
- Programmierbare Messspannung
- Logikpegel-Kompatibilität
- Garantierter Schwellenwert über den Temperaturbereich von 0 °C bis 70 °C
- Diese Bauelemente sind bleifrei
- Sicherheitszertifizierungen und behördliche Zulassungen:
- UL1577, 5000 VACRMS für 1 Minute
- DIN EN/IEC60747-5-5
Applikationen
- Niederspannungserkennung
- AC/DC-Spannungsmessung: 5 V bis 240 V
- Relais-Kontaktwächter
- Stromsensoren
- Mikroprozessor-Schnittstelle
- Industriesteuerungen
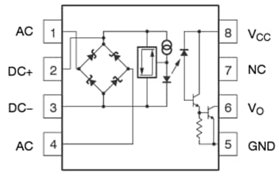
Elektrische Verbindungen
Blockdiagramm
View Results ( 5 ) Page
| Teilnummer | Datenblatt | Beschreibung |
|---|---|---|
| HCPL3700SDVM | ![]() |
Logikausgaben-Optokoppler AC/DC to Logic Interface Optocoupler |
| HCPL3700SM | ![]() |
Logikausgaben-Optokoppler 8PW AC/DC INTF SMD |
| HCPL3700SDM | ![]() |
Logikausgaben-Optokoppler 8PW AC/DC INTF T&R SMD |
| HCPL3700M | ![]() |
Logikausgaben-Optokoppler AC/DC HI-SPEED LOGIC INTERFACE |
| HCPL3700VM | ![]() |
Logikausgaben-Optokoppler 8PW AC/DC INTF DIP |
Veröffentlichungsdatum: 2024-09-30
| Aktualisiert: 2024-10-28

