onsemi MT9M114 Evaluationsboard für digitalen Bildsensor
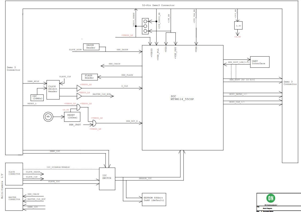
onsemi MT9M114EBLSTCZH3-GEVB ist ein Evaluationsboard für den digitalen MT9M114 1/6-Zoll-HD-SOC-Bildsensor. Der 1,26-Megapixel-MT9M114 CMOS-Sensor bietet eine Active-Pixel-Anordnung von 1296H x 976V und ist für Leistungsfähigkeit bei wenig Licht konzipiert. Der Sensor verfügt über eine ausgefeilte Kamerafunktionen mit Auto-Belichtungssteuerung, Auto-Weißabgleich, Schwarzwertsteuerung, Vermeidung von Flimmern und Fehlerkorrektur. Der MT9M114 liefert außerordentlich klare und scharfe digitale Bilder. Seine Funktionen machen den MT9M114 zur idealen Wahl für eine große Auswahl von Applikationen, einschließlich Mobiltelefone, PC- und Notebook-Kameras und Gaming-Systeme. Das Headboard (HB) EBLSTCZH3-GEVB wurde speziell für den digitalen Bildsensor MT9M114 entwickelt und unterstützt den direkten Anschluss an das Demo 2x-System. Das Evaluationsboard verfügt über Takteingang, 2-drahtige serielle Schnittstelle, parallele Schnittstelle und MIPI-Schnittstelle. Auf diese HB-Funktionen kann über Testpunkte und Steckbrücken auf dem Board zugegriffen werden.Blockdiagramm MT9M114 Evaluationsboard für digitalen Bildsensor
Veröffentlichungsdatum: 2017-05-15
| Aktualisiert: 2022-03-11
