onsemi NCD57001FDWR2G Isolierte IGBT-Gate-Treiber

Die NCD57001FDWR2G isolierten Hochstrom-IGBT-Gate-Treiber von Onsemi sind einkanalige Hochstrom-IGBT-Treiber mit interner galvanischer Trennung, die für einen hohen Systemwirkungsgrad und eine hohe Zuverlässigkeit ausgelegt sind. Dieser Gate-Treiber verfügt über komplementäre Eingänge, Open-Drain-Fehleranzeige- und Ready-Ausgänge, eine aktive Miller-Klemme, präzise Unterspannungssperren (UVLOs), DESAT-Schutz und eine Soft-Abschaltung bei DESAT. Die NCD57001FDWR2G Gate-Treiber von Onsemi unterstützen 5 V- und 3,3 V-Signale auf der Eingangsseite und einen breiten Vorspannungsbereich auf der Treiberseite, der auch negative Spannungen zulässt. Dieser Gate-Treiber bietet eine galvanische Trennung von >5 kVrms (UL1577-Einstufung) und ist zu >1200 Viorm (Betriebsspannung) fähig. Typische Applikationen sind Solar-Umrichter, Motorsteuerung, Unterbrechungsfreie Stromversorgungen (UPS), industrielle Netzteile und Schweißen.

Merkmale

  • +4/-6 A Hochstromausgang bei IGBT-Miller-Plateau-Spannungen
  • Niedrige Ausgangsimpedanz für verbesserte IGBT-Ansteuerung
  • Kurze Laufzeitverzögerungen mit präziser Anpassung
  • Aktive Miller-Klemme, um störendes Gate-Einschalten zu verhindern
  • DESAT-Schutz mit programmierbarer Verzögerung
  • Fähig zu negativer Spannung (bis zu -9 V) für DESA
  • Sanfte Abschaltung bei IGBT-Kurzschluss
  • IGBT-Gate-Klemmung bei Kurzschluss
  • Aktiver IGBT-Gate-Pulldown
  • Enge UVLO-Schwellenwerte für Vorspannungsflexibilität
  • Breiter Vorspannungsbereich einschließlich negativer VEE2
  • 3,3 V zu 5 V Eingangsversorgungsspannungsbereich
  • Für die AEC−Q100-Zulassung ausgelegt
  • Galvanische Trennung (für UL1577 Anforderungen): 5.000 V
  • Betriebsspannung: 1.200 V (gemäß VDE0884-10 Anforderungen)
  • Hohe transiente Immunität
  • Hohe elektromagnetische Festigkeit
  • Bleifrei, halogenfrei, RoHS-konform

Applikationen

  • Solar-Umrichter
  • Motorsteuerung
  • USV
  • Industrienetzteile
  • Schweißen

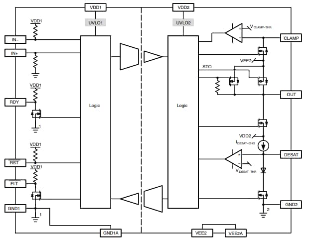
Blockdiagramm

Blockdiagramm - onsemi NCD57001FDWR2G Isolierte IGBT-Gate-Treiber

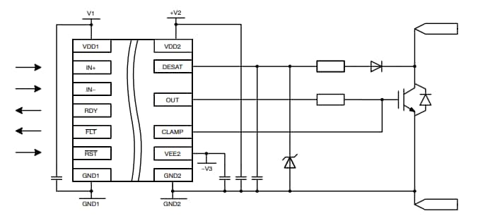
Applikationsschaltschema

Applikations-Schaltungsdiagramm - onsemi NCD57001FDWR2G Isolierte IGBT-Gate-Treiber
Veröffentlichungsdatum: 2020-06-01 | Aktualisiert: 2024-06-06