onsemi NCP1342 Quasi-Resonanz-Flyback-Controller
Der onsemi NCP1342 Quasi-Resonant Flyback Controller ist ein hochintegrierter hochfrequenter PWM- (Pulsweitenmodulation) Controller, der für das einfache Design von leistungsstarken Offline-Leistungswandlern konzipiert wurde. Mit einer integrierten aktiven X2-Kondensatorentladefunktion kann der NCP1342 Controller eine Leerlaufleistungsaufnahme unter 30 mW ermöglichen.Der NCP1342 verfügt über eine eigene Valley-Lockout-Schaltung, die eine stabile Valley-schaltung gewährleistet. Dieses System arbeitet bis ins 6. Valley und wechselt in den Frequenzwiederholungsmodus, um Schaltverluste zu reduzieren. Wenn die Last weiter abnimmt, wechselt der NCP1342 in den Quiet-Skip-Modus, um die Leistungsabgabe zu steuern und gleichzeitig das akustische Rauschen zu minimieren.
Um die Leistung bei geringer Last mit hochfrequenten Designs zu gewährleisten, verfügt der NCP1342 über eine minimale Spitzenstrommodulation (MPCM), um die Schaltfrequenz schnell zu reduzieren. Um die Robustheit des Wandlers zu gewährleisten, verfügt der NCP1342 über mehrere wichtige Schutzfunktionen wie interne Brownout-Erkennung, einen nicht-dissipativen Überspannungsschutz (OPP) für konstante maximale Ausgangsleistung unabhängig von der Eingangsspannung, eine verriegelte Überspannung, einen NTC-fähigen Übertemperaturschutz durch einen speziellen Pin und eine Leitungsentnahmeerkennung, um die X2-Kondensatoren sicher zu entladen, wenn die AC-Leitung entfernt wird.
Der NCP1342 wird in SOIC-8- und SOIC-9-Gehäusen angeboten, um die Flexibilität des Designs zu erhöhen.
Merkmale
- Integrierte Hochspannungs-Einschaltfunktion mit Spannungsabfall-Erkennung
- Integrierte X2 Kondensatorentladungs-Funktion
- Breiter VCC-Bereich von 9 V bis 28 V
- 28V VCC Überspannungsschutz
- Abnormaler Überstromfehlerschutz für Wicklungskurzschluss oder Sättigungserkennung
- Interne Temperaturabschaltung
- Valley-Schaltung mit Valley-Sperrschaltung für einen geräuschfreien Betrieb
- Frequenz-Foldback mit 25kHz Mindestfrequenzklemme für erhöhten Wirkungsgrad bei leichten Lasten
- Schnelles Frequenz-Foldback zur schnellen Reduzierung der Schaltfrequenz bei leichten Lasten
- Skip-Modus mit Quiet-Skip-Technologie für höchste Leistung bei leichten Lasten
- Minimierter Stromverbrauch für Leerlaufleistung unter 30 mW
- Frequenz-Jittering für reduzierte EMI-Signatur
- Verriegelung oder automatischer Wiederherstellungs-Timer-basierter Überlastschutz
- Einstellbarer Überlastschutz (en: Over Power Protection, OPP)
- Einstellbare Maximalfrequenz-Klemme
- Störeingang für schwerwiegende Fehlerbedingungen, NTC-kompatibel für OTP
- 4ms Sanftanlauf-Timer
- Gehäuseoptionen:
- SOIC-8-NB
- SOIC-9 NB
- Bleifrei
8-Pin-Applikations-Schaltung
9-Pin-Applikations-Schaltung
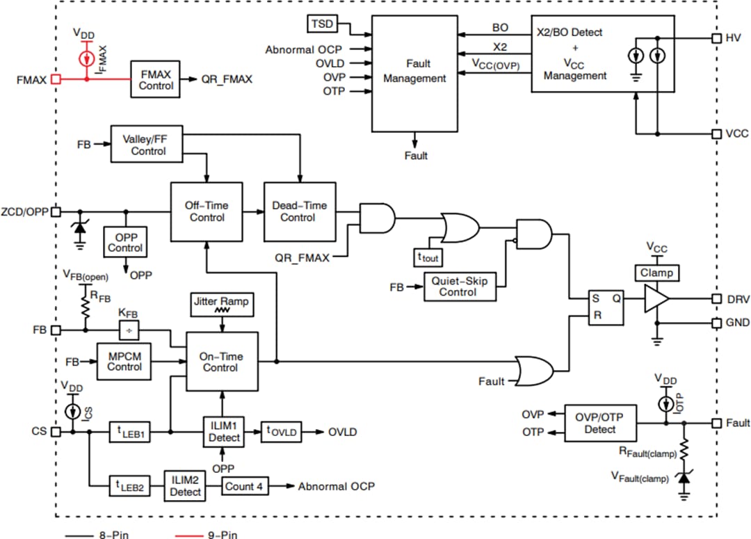
Blockdiagramm
