onsemi NCP51105 2,6 A-Einzel-Low-Side-Gate-Treiber
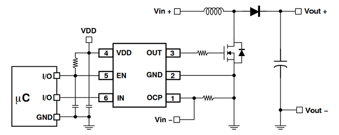
Der NCP51105 2,6 A-Einzel-Low-Side-Gate-Treiber von Onsemi ist ein Hochstrom-Treiber, der für den Antrieb von Leistungs-MOSFETs und IGBTs ausgelegt ist. Der Logikeingang ist mit dem CMOS- und TTL-Ausgang kompatibel. Der NCP51105 verfügt über einen OCP-Pin, der einen Überstromschutz mit negativer Spannung bietet, die über einen Schaltstrommesswiderstand erkannt wird, und einen EN-Pin, der einen Fehlerstatus an einen externen Controller, wie z. B. einen MCU, melden kann. Der EN-Pin muss für den Normalbetrieb auf eine höhere Spannung als den Schwellenwert gezogen und für die Deaktivierung des Ausgangs bei allen Fehlerbedingungen nach unten gezogen werden. Die interne VDD -Schaltung bietet eine Unterspannungssperre, indem der Ausgang niedrig gehalten wird, bis die Versorgungsspannung im Betriebsbereich wiederhergestellt wird und die Fehlerwiederherstellungszeit durch einen zeitkonstanten Satz an Widerstand und Kapazität, die mit dem EN-Pin verbunden sind, programmierbar ist.Merkmale
- Großer Betriebsspannungsbereich bis zu 25 V
- 2,6 A Spitzen-Senke/-Quelle
- Laufzeitverzögerungszeit kürzer als 50 ns
- Überstromschutz mit negativer Spannungsmessung
- Eingangslogik-kompatibel mit einem großen Spannungsbereich für TTL und CMOS
- Programmierbare Fehlerlösezeit
- Unterspannungssperre für MOSFET und IGBT
- Umgebungstemperaturbereich: -40 °C bis +125 °C
- TSOP-6-Gehäuse
- Bleifrei, halogenfrei und RoHS-konform
Applikationen
- Schaltnetzteile
- MOSFET-Schaltung mit hohem Wirkungsgrad
- Synchrone Gleichrichterschaltungen
- DC/DC-Wandler
- Motorsteuerung
Vereinfachte Applikation
Internes Blockdiagramm
Veröffentlichungsdatum: 2024-07-31
| Aktualisiert: 2024-08-13
