onsemi NCP51530 MOSFET-Gatetreiber
onsemi NCP51530 MOSFET-Gatetreiber sind High-Side- und Low-Side-Hochfrequenz-Gatetreiber mit 700 V und 2 A für AC/DC-Netzteile und Wechselrichter. Der NCP51530 bietet eine erstklassige Laufzeitverzögerung, einen niedrigen Ruhestrom und einen niedrigen Schaltstrom bei hohen Betriebsfrequenzen. Diese NCP51530 Treiber sind für Netzteile mit hohem Wirkungsgrad und für den Betrieb bei hohen Frequenzen ausgelegt. Die NCP51530 Treiber werden in zwei Versionen angeboten: NCP51530A und NCP51530B. Der NCP51530A hat eine typische Laufzeitverzögerung von 60 ns während der NCP51530B über eine typische Laufzeitverzögerung von 25 ns verfügt. Zu den typischen Applikationen gehören SNTs mit hoher Dichte für Server, Telekommunikation und Industrie, Halb-/Vollbrücken- und LLC-Wandler, Fluss-/Sperrwandler mit aktiver Klemmung, Solar-Wechselrichter sowie elektrische Servolenkung.Merkmale
- Hochspannungsbereich bis zu 700 V
- NCP51530A:
- 60 ns typische Laufzeitverzögerung
- NCP51530B:
- 25 ns typische Laufzeitverzögerung
- Geringer Ruhe- und Betriebsstrom
- 15 ns Anstiegs- und Abfallzeit
- 2,2 A/1,7 A Quell-/Senkströme
- Unterspannungsperre für beide Kanäle
- 3,3 V und 5 V logikkompatibler Eingang
- Hohe dV/dt-Immunität bis zu 50 V/ns
- Pin-zu-Pin-kompatibel mit Industriestandard-Halbbrücken-ICs
- Abgeglichene Laufzeitverzögerung (max. 7 ns)
- Hohe negative transiente Immunität auf Brücken-Pin
- Das DFN10-Gehäuse bietet sowohl eine verbesserte Kriechstrecke als auch ein freiliegendes Pad
Applikationen
- SNTs mit hoher Dichte für Server, Telekommunikation und Industrie
- Halb-/Vollbrücken- und LLC-Wandler
- Fluss-/Sperrwandler mit aktiver Klemmung
- Solar-Wechselrichter und Motorsteuerungen
- Elektrische Servolenkung
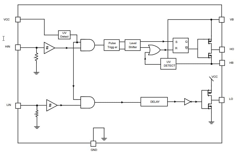
NCP51530 Gate-Treiber Blockdiagramm
View Results ( 2 ) Page
| Teilnummer | Datenblatt | Beschreibung | Ausgangsstrom | Anzahl der Ausgänge | Betriebsversorgungsstrom |
|---|---|---|---|---|---|
| NCP51530ADR2G | ![]() |
Gate-Treiber 700V HALF BRIDGE DRIVER | 3.5 A | 2 Output | 2 mA |
| NCP51530BDR2G | ![]() |
Gate-Treiber 700V HALF BRIDGE DRIVER | 3.5 A | 2 Output | 2 mA |
Veröffentlichungsdatum: 2018-07-03
| Aktualisiert: 2025-03-04

