onsemi NCP81535 Acht- und Einphasen-Ausgangs-Controller
Der onsemi NCP81535 Acht- und Einphasen-Ausgangs-Controller ist eine Dual-Rail-, Acht- und Einphasen-Buck-Lösung, die für Intel IMVP9.2 CPUs optimiert ist. Das mehrphasige Schienensteuerungssystem kombiniert eine Dual-Edge-Pulsweitenmodulation (PWM) mit Gleichstromwiderstand-Stromsensoren (Direct Current Resistance, DCR). Diese Kombination ermöglicht eine ultraschnelle Erstreaktion auf dynamische Lastereignisse und reduzierte Systemkosten. Der NCP81535 von onsemi umfasst einen Überwachungsverstärker mit extrem niedrigem Offsetstrom und programmierbarer Offsetkompensation für eine hochpräzise Stromüberwachung.Merkmale
- VIN -Bereich von 4,5 V bis 21 V
- Inbetriebnahme in vorgeladene Lasten bei gleichzeitiger Vermeidung von falschem OVP
- Digitale Soft-Start-Rampe
- Einstellbares Vboot
- Hochohmiger differentieller Ausgangsspannungsverstärker
- Unterstützung von zwei VID-Tabellen, um mit IMVP9.2 kompatibel zu sein
- Unterstützt Hochstrom-Erweiterungen
- Dynamische Referenzeinspeisung
- Programmierbare Anstiegsgeschwindigkeiten der Ausgangsspannung
- Dynamische VID-Vorsteuerung
- Differentialstrommessverstärker für jede Phase
- Programmierbare adaptive Spannungspositionierung (AVP)
- Einstellbarer Schaltfrequenzbereich
- Digital stabilisierte Schaltfrequenz
- Betrieb mit Ultraschall
- Unterstützt die akustische Rauschunterdrückungsfunktion
- PSYS-Eingangsüberwachung (SVID-Adresse 0D)
- Unterstützung für VCCIN_AUX IMON-Eingang
- Entspricht den Spezifikationen von Intel IMVP9.2
- Dual-Edge-Modulation im Strommodus für eine schnelle Erstreaktion auf vorübergehende Belastung
- Bleifreies Bauelement
Applikationen
- Hochleistungscomputer
- Gaming-PCs und PCs für Enthusiasten
- Laptops und Ultrabooks
- Geräte für Unternehmen und Rechenzentren
- Embedded-Systeme
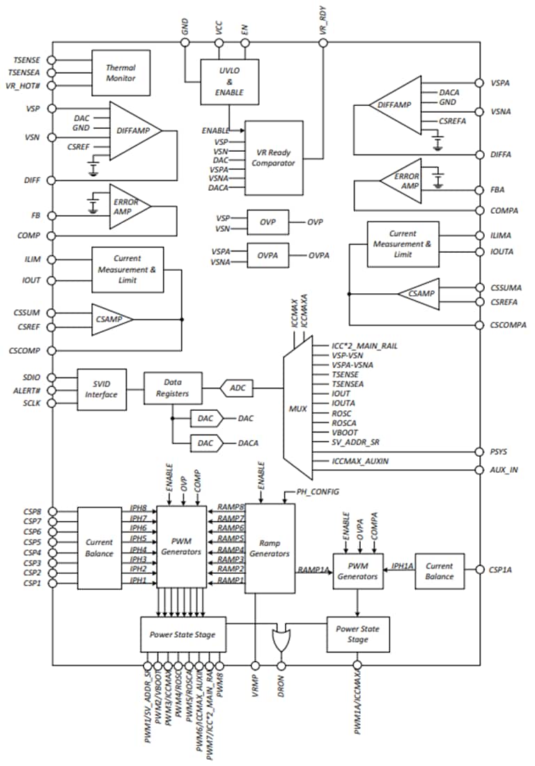
Internes Blockdiagramm
Veröffentlichungsdatum: 2025-05-20
| Aktualisiert: 2025-06-19
