onsemi NCV7390 CAN-Schnittstellen-IC
Das CAN-Schnittstellen-IC NCV7390 von Onsemi wurde für Systeme nach dem internationalen Standard ISO11992-1 entwickelt. Dieser Transceiver-IC bietet eine Punkt-zu-Punkt-Verbindung für den seriellen Datenaustausch zwischen Zug- und Anhängefahrzeug oder anderen ähnlichen Fahrzeuganwendungen. Das NCV7390 Transceiver-IC ist die Schnittstelle zwischen einem CAN-Protokoll-Controller und dem physischen BUS. Dieses Gerät bietet eine Differential-Sendefunktion, erlaubt aber unter Fehlerbedingungen das Umschalten auf einen Single-Wire-Sender und/oder Empfänger. Der NCV7390 Schnittstellen-IC eignet sich für 12 V und 24 V Batteriesystem-Applikationen. Dieses CAN-Schnittstellen-IC zeichnet sich durch niedrige elektromagnetische Emission (EME) und hohe elektromagnetische Anfälligkeit, Erdungsverschiebungsstabilität und thermischen Schutz aus. Der NCV7390 Schnittstellen-IC ist AEC-Q100-qualifiziert, PPAP-fähig und bleifrei. Dieser IC eignet sich gut für Fahrzeugnetzwerke, Automotive und für die Schnittstelle zwischen LKW und Anhänger.Merkmale
- Entwickelt für Systeme gemäß dem internationalen Standard ISO 11992-1
- Geeignet sowohl für 12 V Applikationen auch 24 V Batteriesystemanwendungen
- Fehlererkennungsschaltung und Möglichkeit des Single-Wire-Betriebs
- Schlafmodus mit geringem Stromverbrauch und BUS-Aktivierungsfunktion
- VCC-Pin ermöglicht die Verbindung mit Mikrocontrollern von 3 V bis 5 V
- Geringe elektromagnetische Emission (EME) und hohe elektromagnetische Anfälligkeit
- Erdungsverschiebungsstabilität
- Unter allen Versorgungbedingungen verhält sich der Chip vorhersehbar
- Thermischer Schutz
- AEC-Q100-qualifiziert und PPAP-fähig
- Bleifreie Bauteile
Applikationen
- Automotive
- Schnittstelle zwischen dem LKW und dem Anhänger
- Fahrzeugnetzwerke
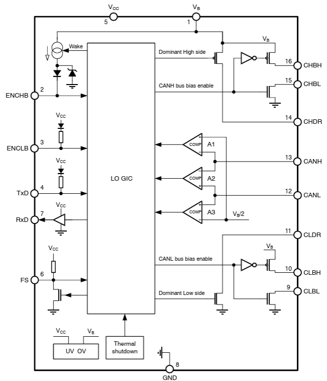
Blockdiagramm
Veröffentlichungsdatum: 2025-07-08
| Aktualisiert: 2025-07-15
