onsemi NCV76124 Signalkonditionierungs-Sensor
Der Onsemi NCV76124 Signalkonditionierungs-Sensor ist ein Schnittstellen-Chip, der für die Regen- und Lichterkennung in Fahrzeuganwendungen ausgelegt ist. Der Sensor misst Fotodiodenströme, die Regen- und Lichtsignale charakterisieren und kommuniziert, und schickt die umgewandelten SIGNALE auf Anfrage über die Serielle Peripherieschnittstelle (SPI) an einen Master-Mikrocontroller. Die Regenmessdaten können zur Steuerung der Scheibenwischer werden. Währenddessen werden die Lichtstärkesignale implementiert, um die Helligkeit von Displays, Scheinwerfern und anderen Dingen zu steuern. Die SPI-Programmierbarkeit ermöglicht eine einzelne Hardware-Konfiguration zur Unterstützung verschiedener Applikationen.Mit einer einfachen SPI-Steuerung benötigt der NCV76124 Signalkonditionierungs-Sensor von Onsemi minimalen Software-Overhead. Er liefert mehr Sensorkanäle mit einem hohen Dynamikbereich und schafft eine leistungsstarke und sichere Lösung für moderne Fahrzeuge.
Merkmale
- Umwandlung des Regen- und Lichtsensor-Fotodioden-Stroms in eine Spannung über einen Transimpedanz-Verstärker (TIA) mit programmierbarer Gain
- Gesteuerte Impuls-Stromamplitude für zwei externe LEDs
- Regelmäßige Messung von vier (optional fünf) Lichtsensorsignalen
- Regelmäßige Messung von zwei (optional einem) Regensensorsignalen mit Umgebungslicht-Unterdrückungsschaltung
- Regenkanäle Umgebungslichtmessung
- Chip-Temperaturmessung
- Einschalt-Reset- und Watchdog-Funktionsumfang
- Standby- und Schlafmodi mit geringer Stromaufnahme
- On-Chip-Oszillator für Systemtakt
- SPI-Schnittstelle
- Diagnoseschaltung gemäß ASIL-B
- Regenkanäle sind mit ASIL-A konform
- NCV-Präfix für Fahrzeuganwendungen und andere Applikationen mit einzigartigen Platz- und Steueränderungsanforderungen; AEC-Q100-qualifiziert und PPAP-fähig
- Bleifrei und RoHS-konform
Applikationen
- Regensensor für Scheibenwischer
- Umgebungslichtsensor
- Frontbeleuchtung
- Head-up-Display
Typischer Applikationsschaltschema
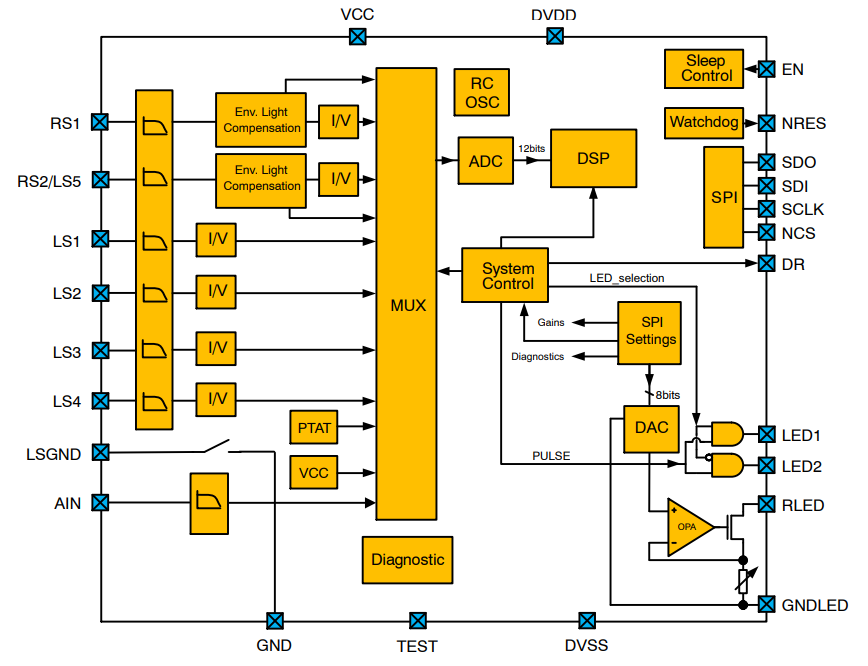
Blockdiagramm
Veröffentlichungsdatum: 2025-04-22
| Aktualisiert: 2025-04-29
