onsemi NCV7718B/C Sechsfach-Halbbrückentreiber
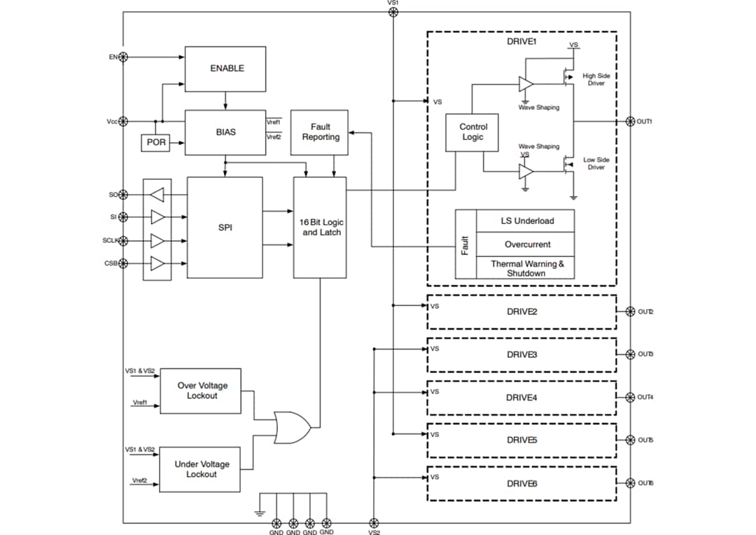
Der onsemi NCV7718B/C Sechsfach-Halbbrückentreiber besteht aus zwölf DMOS-Leistungstreibern, die als Sechsfach-Halbbrücken konfiguriert sind und drei unabhängige Vollbrücken-Betriebsabläufe ermöglichen. Jeder Ausgangsantrieb bietet eine maximale DC-Last von 550 mA und ein Ableitvermögen von 2 A. Der NCV7718B/C bietet Schutzfunktionen, die speziell für Fahrzeug- und Industrie-Bewegungssteuerungs-Applikationen ausgelegt sind. Der NCV7718B/C verfügt über unabhängige Steuer- und Diagnosefunktionen. Das Bauteil kann im Vorwärts-, Rückwärts-, Brems- und im hohen Impedanzzustand betrieben werden. Die Treiber werden über eine 16-Bit-SPI-Schnittstelle von 5 MHz gesteuert und können verkettet werden.Der NCV7718B/C Sechsfach-Halbbrückentreiber wird in einem 24-Pin-SSOP-Gehäuse (Shrink Small Outline Package, SSOP) in Standardausführungen und Ausführungen mit freiliegendem Pad angeboten. Dieses Bauteil ist für Fahrzeuganwendungen gemäß AEC-Q100 zugelassen und PAAP-fähig.
Merkmale
- Niedriger Ruhestrom im Schlafmodus
- High-Side- und Low-Side-Treiber in einer Halbbrückenkonfiguration
- Integrierter Low-Side- und High-Side-Freilaufschutz
- 0,55 A Spitzenstrom
- RDS(on) = 1 Ω (typisch)
- 5-MHz-SPI-Steuerung
- Konformität mit 3,3-V- und 5,0-V-Systemen
- Unterspannungs- und Überspannungssperre
- Diskriminierte Störungsmeldung
- Überstromschutz
- Übertemperaturschutz
- Unterlast-Erkennung (LS)
- Kann mit mehreren 8-Bit-Bauteilen verkettet werden
- 16-Bit-Rahmenerkennung
- Verfügbare SSOP-24-Gehäuseoptionen:
- NCV7718B, NCV7718C: Gehäuse mit freiliegendem Pad
- NCV7718C: Standardgehäuse
- AEC-Q100-qualifiziert und PAAP-fähig
- Bleifrei
Applikationen
- Automotive
- Industrie
- DC-Motormanagement für HLK-Applikationen
Blockdiagramm
Typische Applikations-Schaltung
Veröffentlichungsdatum: 2019-09-03
| Aktualisiert: 2024-02-28
