onsemi Oktaler High-Side-Treiber NCV7755
Der oktale High-Side-Treiber NCV7755 von onsemi ist ein integrierter Treiber nach Automobilstandard, der acht High-Side-Schalter bietet. Der NCV7755 ermöglicht eine Antriebsfähigkeit von bis zu 700 mA pro Kanal und ist vor Überlast- und Übertemperaturbedingungen geschützt. Jeder Kanal verfügt über integrierte Ausgangsklemmen für das Schalten induktiver Lasten und mehrere Start-Impulse für Glühbirnen. Darüber hinaus können die Klemmen zwei internen PWM-Generatoren für LED-Lasten zugeordnet werden. Das Bauteil implementiert eine SPI für die Ausgangssteuerung und Diagnoseberichte. Darüber hinaus können die INx-Pins zwecks direkter Steuerung jedem der Ausgänge zugeordnet werden. Der dedizierte Notlaufmodus ermöglicht die Betriebssteuerung von zwei High-Side-Treibern über Logik-Eingangspins.Für optimale thermische Leistung ist der NCV7755 von onsemi in einem SSOP-24-Gehäuse mit freiliegenden Pads untergebracht.
Merkmale
- 8 High-Side-Kanäle
- Für Relais (Flyback-Klemmen)
- Glühbirnen (Mehrfachimpuls-Einschaltschema)
- LEDs (interner PWM-Generator)
- 2,3 A Spitzenstrom (max.)
- RDS (on) 0,9 Ω (typisch), 1,8 Ω (max.)
- Parallelschaltung von zwei Ausgangspaaren ist zulässig
- SPI-Steuerung (16-Bit)
- Frame-Fehlererkennung (16 Bits + 8 n Bits)
- Daisy-Chain-fähig
- Zwei Eingangspins mit Zuordnung für PWM-Betrieb
- Niedriger Ruhestrom im Schlafmodus
- Notlaufmodus mit automatischer Wiederholung
- Unterstützt eine Startspannung von mindestens 3 V auf VS
- 3,3-V- und 5-V-kompatibler digitaler Eingangsspannungsbereich
- Störungsmeldung
- Open Load (AUS oder EIN)
- Überlast
- Übertemperatur
- Stromversorgungsausfall (VS, VDD-Unterspannung)
- Ausgangskurzschluss zu GND und Batterie
- Umpolungsschutz
- Verlust von Erdungsschutz
- Einschalt-Reset (VDD)
- SSOP-24 mit einem freiliegenden Pad
- NCV-Präfix für Automotive
- Standort- und Änderungskontrolle
- AEC-Q100-qualifiziert
Applikationen
- Fahrzeugkarosserie-Steuereinheiten
- Automotive-Motorsteuerungseinheiten
- Relaisantriebe
- Lampenantriebe
- LED-Treiber
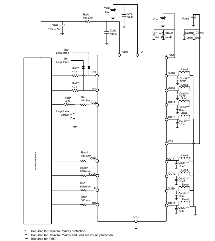
Applikationsdiagramm
Blockdiagramm
Veröffentlichungsdatum: 2023-01-30
| Aktualisiert: 2023-08-08
