onsemi NCV78343 Einzelchip-Pixel-Controller
Der onsemi NCV78343 Einzelchip-Pixel-Controller für die Fahrzeugbeleuchtung (Front) ist ein Einzelchip-Pixel-Controller mit Embedded-Schaltern zur Steuerung von einzelnen LEDs in einer reihengeschalteten LED-Kette. Der onsemi NCV78343 ist für dynamische Fahrzeugbeleuchtungsapplikationen ausgelegt, insbesondere Hochstrom-LEDs. Um eine Pixelbeleuchtungslösung zu erstellen, müssen die LEDs von Stromquellen, beispielsweise den LED-Treibern NCV78763 oder NCV78723, betrieben werden. Die NCV78343 Pixel-Controller-Bauteile empfangen die Pixel-Steuerparameter vom Pixel-Licht-ECU, der das erforderliche Lichtmuster oder das erforderliche Lichtbild in einzelne Pixel-Verdunkelungsdaten umsetzt.Ein Pixel-Controller-Bauteil kann bis zu 12 Pixel von 1 oder 2 1,4 A LEDs pro Pixel steuern. Die maximale LED-Kettenspannung muss auf 60 V begrenzt werden. Wenn mehr als 12 Pixel gesteuert werden sollen, können mehrere Pixel-Controller in einem einzigen System kombiniert werden.
Der NCV78343 von onsemi verwendet zwei Kommunikationsschnittstellen zur Verbindung mit einem Mikrocontroller (MCU). Ein asynchroner Universal-Empfänger-Transmitter (UART) unterstützt den CAN-Transceiver und die Mehrpunkt-Niederspannungs-Differential-Signalisierung (M-LVDS) für die lokale Verbindung oder Verbindung mit dem MCU.
Merkmale
- AEC-Q100-qualifiziert und Produktionsteil-Abnehmeverfahren (PPAP) fähig
- Einzelchip-kompatibel mit IMS-Board (Einzelschicht)
- 12x integrierte Schalter mit mehreren Konfigurationsoptionen
- Minimale externe Komponenten
- Kommunikationsschnittstellen zum Pixellicht-ECU:
- Integrierter M-LVDS
- UART-über-CAN-Schnittstelle
- Integrierte Brücke zwischen M-LVDS und UART
- Unterstützt bis zu 32 Geräte, 1 Mbaud
- Keine Notwendigkeit für einen lokalen MCU und einen präzisen Takt
- Schnittstelle zum externen I2C-EEPROM
- Integrierter 8-Bit-Analog-Digital-Wandler (ADC)
- Dimmer-Controller, PWM + Phasenverschiebungseinheit pro Kanal
- Übertemperaturschutz
- Individuelle offene/Kurzschluss-/OV-LED-Diagnose-Rückkopplung
- Automatischer Bypass mit offenem LED-Ausfall
- SSOP36 EP-Gehäuse
- Bleifreies Bauteil
Applikationen
- Dynamische adaptive Fernlicht-Funktionen
- Blendfreies Fernlicht
- Statisches Schwenken
- Strahlformung
- Leichte Leistungsanpassung
- Animierte Begrüßungsfunktionen auf Signalleuchten
- Wischblinker
Technische Daten
- 4,5 V bis 40 V Batterieversorgungsspannungsbereich
- 0 V bis 10 V Differentialspannungsbereich
- 0 V bis 60 V LED-Ketten-Spannungsbereich
- 1,4 A maximaler Abwärtsschalter-Ausgangsstrom
- 125 kbit bis 1000 kbit PXN-Kommunikationsgeschwindigkeitsbereich
- Umgebungstemperaturbereich: -40 °C bis +125 °C
- Typischer thermischer Widerstand zwischen Sperrschicht und freiliegendem Pad von 3,5 °C/W
- ESD-Werte
- ±2 kV Human-Body-Modell (HBM)
- ±500 V Ladegerätemodell (CDM)
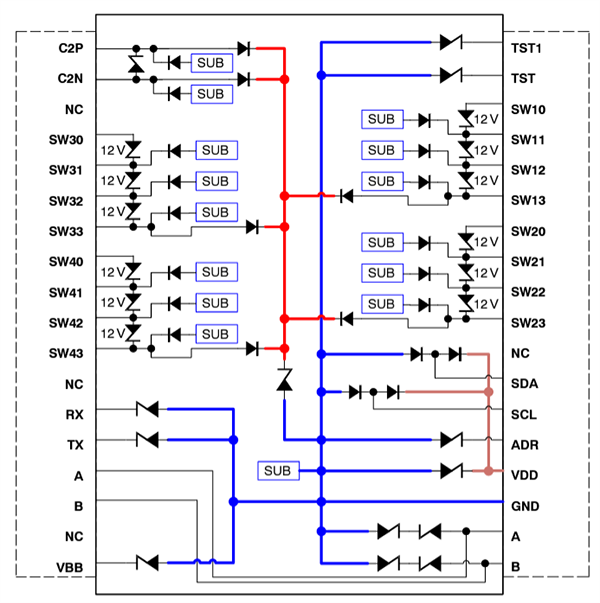
Applikationsdiagramm
Blockdiagramm
Systemarchitekturen
Der NCV78343 unterstützt zwei Kommunikationsschnittstellen: UART und M-LVDS. Beide Schnittstellen können für die Kommunikation verwendet werden. Das erste Beispiel verwendet die UART-Schnittstelle über die physikalische CAN-Schicht als Master-Bus vom LED-Treibermodul zum ersten NCV78343-Chip und den M-LVDS-Bus für die lokale Verbindung zwischen den Submodulen jedes Funktionslichts, beispielsweise Fernlicht, Abblendlicht, Wendeanzeige usw. Das zweite Beispiel verwendet nur den M-LVDS-Bus.
Verwendung von CAN-FD und M-LVDS
Nur mit M-LVDS
ESD-Schutz – Schaltplan
