onsemi NL3X5004 Spannungspegelumsetzer
onsemi NL3X5004 Spannungspegelumsetzer sind konfigurierbare bidirektionale 4-Bit-Pegelumsetzer von 140 MBit/s mit doppelter Spannungsversorgung und automatischer Erkennung, die keine Richtungssteuerungspins erfordern. Die A- und B-Anschlüsse sind so konzipiert, dass sie zwei verschiedenen Stromversorgungsschienen, VCCA bzw. VCCB verfolgen und unabhängig voneinander von 0,9 V bis 3,6 V konfigurierbar sind. Diese Bauteile enthalten eine active-High-Freigabe (EN) und verfügen über eine hohe dynamische Ausgangsstrombelastbarkeit, die es den Umsetzern ermöglicht, hohe kapazitive Lasten anzusteuern. Der NL3X5004 verfügt über einen ESD-Schutz für alle Pins mit einem 4.000 V Human Body Model (HBM). Diese Pegelumsetzer eignen sich hervorragend für Mobiltelefone, Infotainment-Systeme und andere Geräte.Merkmale
- Großer VCCA- und VCCB-Betriebsbereich: 0,9 V bis 3,6 V
- VCCA und VCCB sind unabhängig, wobei VCCA größer, gleich oder kleiner als VCCB sein kann
- Hohe kapazitive 100 pF-Antriebsleistung
- Hochgeschwindigkeit mit garantierter Datenrate von 140 MBit/s für VCCA und VCCB >1,8 V
- Geringer Bit-zu-Bit-Versatz
- Überspannungsbeständige Freigabe- und I/O-Pins
- Keine Einschaltpräferenz-Sequenzierung
- Teilweiser Ausschaltschutz
- UQFN-12-, SOIC14-, TSSOP14- und QFN-14-Gehäuseoptionen
- -Q-suffix für Fahrzeuganwendungen und andere Applikationen mit besonderen Platz- und Steueränderungsanforderungen
- AEC-Q100-qualifiziert und Produktionsteil-Abnehmeverfahren (PPAP) fähig
- Bleifrei, halogenfrei/BFR-frei und RoHS-konform
Applikationen
- Smartphones
- Automotive-Messgeräte-Panels
- Fahrzeugkarosserie-Steuerungsmodule
- Unterhaltende Informationssysteme
- Industrieapplikationen
- Automobil-Applikationen
- Telekommunikation
- Persönliche Elektronik
Typische Applikations-Schaltung
Funktionsdiagramm (1 I/O-Leitung)
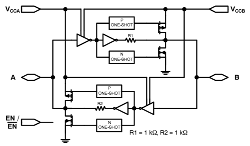
Logik-Diagramm
Veröffentlichungsdatum: 2024-09-30
| Aktualisiert: 2025-02-04
