onsemi NRVTS560ETFS 60V-Schottky-Gleichrichter auf Trench-Basis
Der onsemi NRVTS560ETFS Trench-basierte 60-V-Schottky-Gleichrichter bietet sehr stabile Schalteigenschaften über einen großen Temperaturbereich und eignet sich hervorragend für Schaltnetzteile. Der NRVTS560ETFS ist ein Trench-basierter Schottky-Gleichrichter mit sehr niedrigem Ableitstrom, der eine Sperrspannung von 60 V und eine Durchlassspannung von 540 mV bietet. Dieser Gleichrichter ermöglicht einen niedrigen Durchlass-Spannungsabfall ohne den hohen Rück-/Ableitstrom-Kompromiss. Der NRVTS560ETFS Gleichrichter bietet einen Durchlassstoßstrom von 120 A und einen Sperrstrom (TJ= 2,5 °C) von 50 μA und arbeitet in einem Temperaturbereich von -55 °C bis 175 °C. Dieser NRVTS560ETFS Gleichrichter ist AEC-Q101-qualifiziert und PPAP-fähig. Der Schottky-Gleichrichter ist blei- und halogenfrei. Zu den typischen Applikationen gehören Batterie-Verpolungsschutz, Messgeräte, Automotive-LED-Beleuchtung, Freilauf- und O-Ring-Dioden sowie Hochfrequenz- und DC/DC-Wandler.Merkmale
- Feine Lithographie-Trench-basierte Schottky-Technologie für einen sehr niedrigen Kriechverlust
- Schnellschaltung mit außergewöhnlicher Temperaturstabilität
- Geringe Verlustleistung und niedrigere Betriebstemperatur
- Höherer Wirkungsgrad um die Einhaltung der Vorschriften zu gewährleisten
- Geringer thermischer Widerstand
- Hohes Ableitvermögen
- AEC-Q101-qualifiziert und Produktionsteil-Abnehmeverfahren (PPAP) fähig
- Blei- und halogenfrei
- RoHS-konform
Technische Daten
- 60V Sperrspannung
- 540mV Durchlassspannung
- Durchlassstoßstrom: 120 A
- Sperrstrom (T 50 μAJ= 2,5 °C)
- Betriebstemperaturbereich: -55 °C bis +175 °C
Applikationen
- Schaltnetzteile, einschließlich drahtlose, Smartphone- und Notebook-Adapter
- Hochfrequenz- und DC/DC-Wandler
- Freilauf- und O-Ring-Dioden
- Batterie-Verpolungsschutz
- Messgeräte
- Automotive LED-Beleuchtung
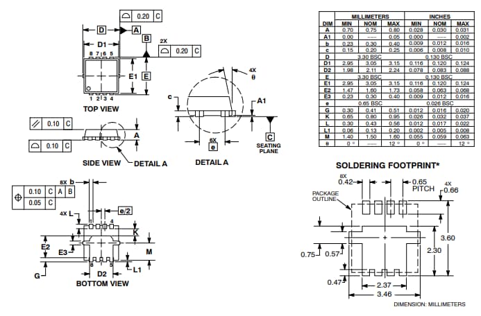
Maßbild
Veröffentlichungsdatum: 2023-12-20
| Aktualisiert: 2024-06-03
