onsemi NTTFS6H850NL n-Einkanal-Leistungs-MOSFET
Der onsemi NTTFS6H850NL n-Einkanal-Leistungs-MOSFET bietet einen niedrigen Drain-Quellen-Einschaltwiderstand und eine niedrige Kapazität zur Reduzierung der Treiberverluste. Dieser NTTFS6H850NL MOSFET verfügt über einem kleinen Footprint von 3,3 mm x 3,3 mm für kompakte und effiziente Designs und ist bleifrei sowie RoHS-konform.Merkmale
- Drain-Quellspannung (VDSS): 80 V
- Gate-Quellspannung (VGS): ±20 V
- Drain-Quellen-Einschaltwiderstand RDS(on)
- 8,6 mΩ bei 10,0 V
- 11,0 mω bei 4,5 V
- Dauersenkenstrom (ID ): 64 A
- Sperrschicht- und Lagertemperaturbereich (TJ, Tstg): -55 °C bis +175 °C
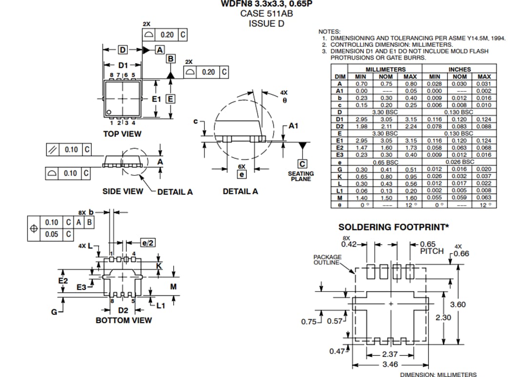
- Gehäuseausführung: WDFN-8
- Bleifrei und RoHS-konform
Applikationen
- Batterie-Verpolungsschutz
- Netzschalter (High-Side-Treiber, Low-Side-Treiber, H-Brücken)
- Synchrongleichrichterschaltung
- Motorsteuerung
Gehäuseabmessungen
Veröffentlichungsdatum: 2019-09-06
| Aktualisiert: 2024-02-08
