onsemi NVH950S75L4SPx IGBT-Leistungsmodule
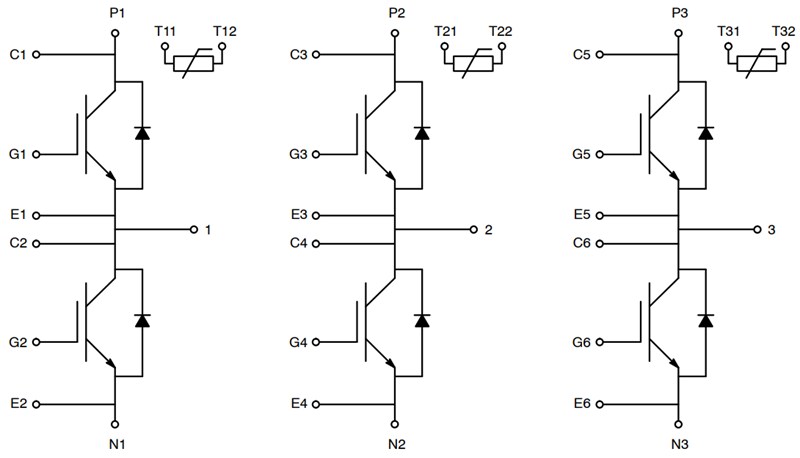
onsemi NVH950S75L4SPx IGBT-Leistungsmodule werden aus der VE-Trac™ Direct-Produktfamilie von hochintegrierten Leistungsmodulen mit Industriestandard-Footprints hergestellt. Diese Leistungsmodule sind leistungsstarke einseitige Dreiphasen-6-Pack-Automotive-Module mit direkter Kühlung und einer Kollektor-Emitter-Spannung von 750 V sowie einem implementierten Kollektorstrom von 950 A. Die NVH950S75L4SPx Module integrieren sechs schmale Field-Stop-4(FS4)-Mesa-IGBTs von 750 V in einer 6-Pack-Konfiguration. Diese 6-Pack-Topologie bietet eine hohe Stromdichte und gleichzeitig eine robuste Kurzschluss-Sicherung und eine erhöhte Sperrspannung. Diese Module verfügen über einen optimierten Pin-Rippen-Kühlkörper in der Grundplatte. Die NVH950S75L4SPx IGBT-Module sind RoHs-konform und erfüllen die Brennbarkeitsklasse UL 94 V-0. Diese IGBT-Module eignen sich für Traktionswechselrichter von Hybrid- und Elektrofahrzeugen und Hochleistungswandlern.Merkmale
- Direkte Kühlung mit integriertem Pin-Rippen-Kühlkörper
- Extrem niedrige Streuinduktivität
- Dauerbetrieb: Tvjmax = 175 °C
- Niedrige VCESAT und Schaltverluste
- Schmaler FSA-Mesa-IGBT von 750 V nach Automobilstandard
- Schnelle Freilaufdioden-Chip-Technologien
- Isoliertes DBC-Substrat: 4,2 kV
- Einfach zu integrierende 6-Pack-Topologie
- Dieses Bauelement ist RoHS-konform und bleifrei.
Applikationen
- Traktionswechselrichter für Hybrid- und Elektrofahrzeuge
- Hochleistungswandler
Kontaktbeschreibung
Datenblätter
Veröffentlichungsdatum: 2024-02-22
| Aktualisiert: 2024-03-11
