onsemi NVMYS3D8N04CL Leistungs-MOSFET
Der onsemi NVMYS3D8N04CL Leistungs-MOSFET ist ein n-Einkanal-MOSFET, der für kompakte und effiziente Designs mit hoher thermischer Leistungsfähigkeit ausgelegt ist. Dieser Leistungs-MOSFET wird mit einer Drain-Source-Spannung von 40 V, einem Drain-Widerstand von 3,7 mΩ und einem Dauersenkenstrom von 87 A betrieben. Der NVMYS3D8N04CL n-Kanal-MOSFET ist AEC-Q101-qualifiziert, PPAP-fähig und eignet sich für Fahrzeuganwendungen, die eine höhere Zuverlässigkeit auf Boardebene erfordern. Dieses Bauelement ist RoHS-konform und bleifrei. Der NVMYS3D8N04CL eignet sich hervorragend für Leistungsschalter mit Batterie-Verpolungsschutz, Schaltnetzteile, Magnettreiber, Motorsteuerung und Lastschalter.Merkmale
- Kleiner Footprint (5 mm x 6 mm) für ein kompaktes Design
- Niedriger RDS(on) zur Reduzierung von Leitungsverlusten
- Niedriger QG und geringe Kapazität zur Reduzierung von Treiberverlusten
- Drain-Source-Spannung: 40 VDSS
- Drain-Widerstand: 3,7 mΩ
- LFPAK4-Gehäuse nach Industriestandard
- AEC-Q101-qualifiziert und Produktionsteil-Abnehmeverfahren (PPAP) fähig
- Das Bauteil ist bleifrei und RoHs-konform
Leistungsdiagramm
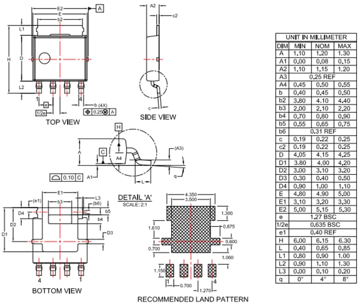
Abmessungen
Veröffentlichungsdatum: 2024-02-22
| Aktualisiert: 2024-03-10
