onsemi NVXR22S90M2SPx EliteSiC Leistungsmodule
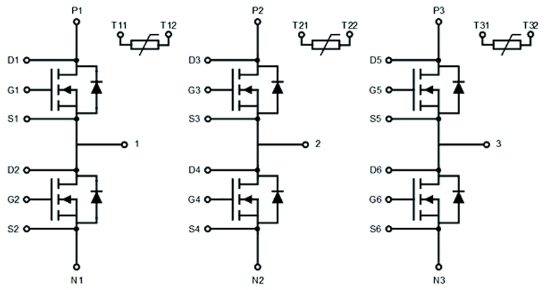
Die NVXR22S90M2SPx EliteSiC Leistungsmodule von onsemi bieten eine verbesserte Leistung, einen verbesserten Wirkungsgrad und eine verbesserte Leistungsdichte in einem kompakten und kompatiblen Gehäuse. Die NVXR22S90M2SPx Module von onsemi verfügen über einen 900 V SiC-MOSFET in einer Six-Pack-Konfiguration mit Press-Fit-Pins für eine einfache Montage und eine verbesserte Zuverlässigkeit. Die Bauteile enthalten einen optimierten Pin-Rippen-Kühlkörper auf der Grundplatte und nutzen das Sinter-Verfahren für Zuverlässigkeit und thermischen Wirkungsgrad. Das Modul ist zur Erfüllung des AQG324 Automotive-Standards ausgelegt.Merkmale
- Direkte Kühlung mit integriertem Pin-Rippen-Kühlkörper
- Siliziumnitrid-Isolator
- Tvj.Max = +175 °C für ununterbrochenen Betrieb
- SiC-MOSFET-Chiptechnologien für die Automobilindustrie
- Gesinterte Chip-Technologie für eine hohe Zuverlässigkeit
- Einfach zu integrierende 6-Pack-Topologie
- AQG324-konform mit Automotive-Modul
- Bleifrei und RoHS-konform
Applikationen
- Wandler-DC-Batterieausgang zur Stromversorgung von AC-Traktionsmotoren
- Hochleistungs-DC/DC-Wandler
Kontaktbeschreibung
Veröffentlichungsdatum: 2024-02-05
| Aktualisiert: 2024-06-18
