onsemi NXH008T120M3F2PTHG Siliziumkarbid (SiC) -Modul
Das Onsemi NXH008T120M3F2PTHG Siliziumkarbid (SIC) -Modul ist ein T-Typ neutralpunktgeklemmtes Wechselrichtermodul (TNPC) basierend auf den 1200V M3S-Planer-SiC-MOSFETs. Der NXH008T120M3F2PTHG ist für schnell schaltende Applikationen optimiert. Die Planar-Technologie arbeitet zuverlässig mit negativer Gate-Spannung und Abschaltspitzen am Gate. Dieses Modul zeigt eine optimale Leistung, wenn es mit einer 20-V-Gate-Ansteuerung betrieben wird, funktioniert aber auch gut mit einer 18-V-Gate-Ansteuerung.Merkmale
- 8mΩ, 1200V M3S SiC MOSFET TNPC-Topologie
- HPS DBC
- Thermistor-
- Optionen mit/ohne vorappliziertem Wärmeleitmaterial (TIM)
- Optionen mit lötbaren Pins und Einpresspins
- Bleifrei, halogenfrei und RoHs-konform
Applikationen
- Solar-Wechselrichter
- Unterbrechungsfreie Stromversorgungen
- Ladestationen für Elektrofahrzeuge
- Industrielle Leistung
Technische Daten
- SiC-MOSFET
- Maximaler Drainstrom bei Null-Gate-Spannung: 300µA
- Typischer Drain-Source-On-Widerstand: 8.5mΩ bis 15mΩ
- Gate-Source-Schwellenspannung: 1.8V bis 4.4V
- Gate-Ableitstrom: ± 600nA
- Typische Kapazität
- Eingang: 9.129 pF
- Rückübertragung: 39 pF
- 493pF Ausgang
- 454nC Typische Gesamt-Gate-Ladung
- 43nC Typische Gate-Source-Ladung
- 101nC Typische Gate-Drain-Ladung
- 41.5ns Typische Einschaltverzögerung
- 20.6ns Typische Anstiegszeit
- 137ns Typische Abschaltverzögerungszeit
- 15ns Abfallzeit
- Typischer Schaltverlust pro Impuls
- 0.60mJ beim Einschalten
- 0.26mJ beim Ausschalten
- 4.0V bis 4.8V Dioden-Durchlassspannung
- Typischer thermischer Widerstand
- 0,256°C/W Chip-zu-Gehäuse
- 0.451°C/W chip-to-heatsink
- Thermistor-
- Nennwiderstandsbereich: 5kΩ bis 159.5Ω
- ±5% Abweichung von R100
- Typische Verlustleistung
- 0.1mW empfohlener Grenzwert
- 34.2mW absolutes Maximum
- 1.4mW/K konstant
- Typischer B-Wert, ±2% Toleranz
- 3375K wenn B(25/50)
- 3436K wenn B(25/100)
- 160µm ±20µm TIM-Schichtdicke
- Isolierung
- Maximale Isolierprüfspannung für 1 s bei 60 Hz: 4.800 VRMS
- 12.7mm maximale Kriechstrecke
- 600 maximale CTI
- HPS-Substrat aus keramischem Material, 0.38mm dick
- 0.18mm maximaler Substratverzug
- Sperrschicht-Betriebstemperaturbereich: -40°C bis +150°C
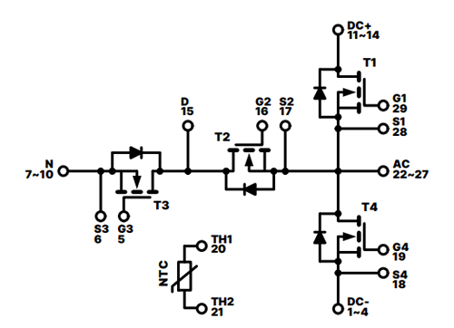
Schaltschema
Weitere Ressourcen
Veröffentlichungsdatum: 2023-12-19
| Aktualisiert: 2024-07-31
