onsemi NXH0x0F120MNF1 SiC-MOSFETs
Onsemi NXH0x0F120MNF1 SiC-MOSFETs sind Leistungsmodule, die eine Vollbrücke und einen Thermistor in einem F1-Gehäuse enthalten. Diese MOSFETs verfügen über Thermistoren und Einpressstifte. Die NXH0x0F120MNF1 Module haben sowohl ein zuvor aufgebrachtes Wärmeschnittstellenmaterial (TIM) als auch keine zuvor aufgebrachten TIM-Optionen. Diese Module eignen sich hervorragend für den Einsatz in Solarwechselrichtern, unterbrechungsfreien Stromversorgungen, Ladestationen für Elektrofahrzeuge und Industrieleistung. Die NXH0x0F120MNF1 Module sind bleifrei, halidfrei und RoHS-konform. Diese Module sind mit -40°C bis 150°C im Lagertemperaturbereich und einem Sperrschicht-Betriebstemperaturbereich von -40°C bis 175°C verfügbar.Merkmale
- 40 m/1200 V SiC-MOSFET-Halbbrücke (NXH040F120MNF1)
- 20 mΩ/1.200 V SiC-MOSFET-Halbbrücke (NXH020F120MNF1)
- Thermistor
- Press-Fit-Pins
- Optionen mit zuvor aufgebrachter Wärmeleitpaste (TIM) und ohne zuvor aufgebrachtes TIM
- Diese Bauteile sind bleifrei, halidfrei und RoHS-konform
Technische Daten
- Lagertemperaturbereich: -40 °C bis +150 °C
- Mindest-Sperrschicht-Betriebstemperaturbereich: -40 °C
- Maximale Sperrschicht-Betriebstemperatur: +175 °C
- Sperrschicht-Betriebstemperatur des Moduls: -40 °C bis +175 °C
Applikationen
- Solarwechselrichter
- Unterbrechungsfreie Stromversorgungen
- Ladestationen für Elektrofahrzeuge
- Industrieleistung
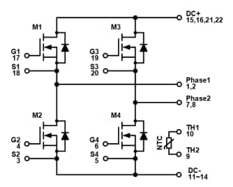
Schaltschema
View Results ( 6 ) Page
| Teilnummer | Herstellername | Beschreibung | Datenblatt |
|---|---|---|---|
| NXH007F120M3F2PTHG | onsemi | MOSFET-Module 7M 1200V 40A M3S SIC FULL BRIDGE MODULE | ![]() |
| NXH011F120M3F2PTHG | onsemi | MOSFET-Module 11M 1200V 40A M3S SIC FULL BRIDGE MODULE | ![]() |
| NXH040F120MNF1PTG | onsemi | MOSFET-Module PIM F1 SIC FULL BRIDGE 1200V 40MOHM | ![]() |
| NXH020F120MNF1PTG | onsemi | MOSFET-Module PIM F1 SIC FULL BRIDGE 1200V 20MOHM | ![]() |
| NXH020F120MNF1PG | onsemi | MOSFET-Module PIM F1 SIC FULL BRIDGE 1200V 20MOHM | ![]() |
| NXH040F120MNF1PG | onsemi | MOSFET-Module PIM F1 SIC FULL BRIDGE 1200V 40MOHM | ![]() |
Veröffentlichungsdatum: 2022-04-07
| Aktualisiert: 2024-06-18

