onsemi TL331 Komparatoren
Die TL331 Komparatoren von Onsemi sind stromsparende Einkanal-Spannungskomparatoren mit offenem Kollektor. Diese Komparatoren sind speziell für den Betrieb über einen großen Einzelversorgungsspannungsbereich von 2 V bis 36 V und einen ±1 V bis ±18 V-Bereich für geteilte Versorgungen ausgelegt. Die TL331 Komparatoren verfügen über einen niedrigen Versorgungsstrom von 0,5 mA, einen niedrigen Eingangsruhestrom von 25 nA, einen niedrigen Eingangs-Offset-Strom von ±5 nA und eine niedrige Eingangs-Offset-Spannung von ±2 mV. Der Gleichtakt-Eingangsspannungsbereich umfasst Erdung, selbst wenn er von einer einzelnen Versorgungsspannung betrieben wird. Die TL331 Komparatoren sind in einem platzsparenden TSOP−5-Gehäuse verfügbar und sind auch in einer für Fahrzeuganwendungen qualifizierten Version verfügbar. Diese Komparatoren werden in Fahrzeuganwendungen und anderen Applikationen verwendet, die einzigartige Platz- und Steueränderungsanforderungen erfordern.Merkmale
- Großer Einzelversorgungsspannungsbereich oder Dual-Versorgungen
- Niedriger Versorgungsstrom: 0,5 mA (typisch)
- Niedriger Eingangsruhestrom: 25 nA (typisch)
- Niedriger Eingangs-Offset-Strom: ±5 nA (typisch)
- Niedrige Eingangs-Offset-Spannung: ±2 mV (typisch)
- -40 °C bis 125 °C Betriebstemperaturbereich
- Gleichtakt-Eingangsspannungsbereich einschließlich Erdung
- Niedrige Ausgangssättigungsspannung von 150 mV (typisch) bei IO= 4 mA
- Differential-Eingangsspannungsbereich entspricht der Versorgungsspannung
- AEC-Q100-qualifiziert und Produktionsteil-Abnehmeverfahren (PPAP) fähig
- Bleifrei, halogenfrei/BFR-frei und RoHS-konform
Applikationen
- TTL-, DTL-, ECL- und CMOS-kompatible Bauteile
- Umrichter
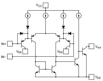
Schaltschema
View Results ( 4 ) Page
| Teilnummer | Datenblatt | Ib - Eingangsruhestrom | Ios - Eingangs-Offset-Strom | Vos - Eingangs-Offset-Spannung | Ausgangsstrom pro Kanal | Betriebsversorgungsstrom | Verzögerungszeit Übertragungs | Montageart | Verpackung/Gehäuse | Anzahl der Kanäle | RoHS - Mouser |
|---|---|---|---|---|---|---|---|---|---|---|---|
| TL331VSN4T1G | ![]() |
25 nA | 5 nA | 1 mV | 500 uA | 850 ns | SMD/SMT | TSOP-5 | 1 Channel | Y | |
| TL331SN4T1G | ![]() |
400 nA | 150 nA | 9 mV | 20 mA | 500 uA | 850 ns | SMD/SMT | TSOP-5 | 1 Channel | Y |
| TL331SN4T3G | ![]() |
25 nA | 5 nA | 1 mV | 16 mA | 500 uA | 850 ns, 700 ns | SMD/SMT | TSOP-5 | 1 Channel | Y |
| TL331VSN4T3G | ![]() |
25 nA | 5 nA | 1 mV | 16 mA | 500 uA | 300 ns | SMD/SMT | TSOP-5 | 1 Channel | Y |
Veröffentlichungsdatum: 2024-07-30
| Aktualisiert: 2024-08-27

