Panasonic Industrial Devices APV-Hochleistungs-Photovoltaik-MOSFET-Treiber

Panasonic APV Hochleistungs-Photovoltaic-MOSFET-Treiber bieten einen Hochgeschwindigkeitsbetrieb und einen niedrigen Einschaltwiderstand in einem oberflächenmontierbaren Miniatur-SSOP-Gehäuse. Die Komponenten werden in einem Temperaturbereich von -40 °C bis +85 °C betrieben und verfügen außerdem über eine I/O-Isolationsspannung von 1.500 Vrms, eine typische I/O-Kapazität von 0,8 pF und einen anfänglichen I/O-Isolationswiderstand von 1.000 MΩ bei 500 VDC Die APV Photovoltaik-MOSFET-Treiber von Panasonic eignen sich hervorragend für Messgeräte, Prüfanlagen, Industriemaschinen, Industrieanlagen, Rechenzentren und FA-Netzteile.

Merkmale

  • Oberflächenmontierbares Miniatur-SSOP-Gehäuse
  • 1-Form-A-Ausgangskonfiguration
  • Hochgeschwindigkeits-MOSFET-Betrieb (APV1111GVY – hoher Ausgangsstrom)
  • Niedriger MOSFET-Einschaltwiderstand (APV3111GVY – hohe Ausgangsspannung)
  • RoHS-konform

Applikationen

  • Messgeräte
  • Prüfanlagen
  • Industriemaschinen
  • Industrieanlagen
  • Rechenzentrum
  • FA-Netzteil

Technische Daten

  • Ausgangsnennleistung
    • Typische Dropout-Spannung: 8,5 V oder 18 V
    • Typische Kurzschlussströme: 45 µA oder 12 µA
  • Eingang
    • LED-Durchlassstrom: 30 mA
    • LED-Sperrspannung: 5 V
    • Spitzendurchlassstrom: 1 A
    • Verlustleistung: 60 mW
  • I/O-Isolationsspannung: 1.500 Vrms
  • Umgebungstemperaturbereiche
    • Betriebstemperatur: -40 °C bis +85 °C
    • Lagertemperatur: -40 °C bis +100 °C
  • 0,8 pF Typische I/O-Kapazität
  • Anfänglicher I/O-Isolationswiderstand bei 500 VDC: 1.000 MΩ

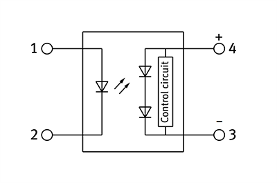
Schaltschema

Schaltplan - Panasonic Industrial Devices APV-Hochleistungs-Photovoltaik-MOSFET-Treiber

Verkabelungsschaltplan

Panasonic Industrial Devices APV-Hochleistungs-Photovoltaik-MOSFET-Treiber
Veröffentlichungsdatum: 2021-04-15 | Aktualisiert: 2024-02-29