Performance Motion Devices DK58113 Magellan® Motion Control IC Developer Kits

Performance Motion Devices DK58113 Magellan® Motion Control IC Developer Kits are integrated board and software packages used to develop motion applications with the Magellan MC58113 family ICs. The ICs provide single-axis motion control for Brushless DC, DC Brush, and step motors and come complete with an onboard digital amplifier with 250W capacity. The DK58113 supports all Magellan MC58113 family IC features, including profile generation, field-oriented control, shunt, two channels of quadrature encoder input, and much more. All developer kits come with Pro-Motion, Performance Motion Devices's convenient Windows-based motor setup and optimization software, a complete C-Motion SDK, manuals, schematics, and software examples.

Features

  • Supports the MC51113, MC53113, MC54113, and MC58113 Magellan ICs
  • Supports step, DC Brush, and Brushless DC motors
  • Socketed version of DK (DK58113S) allows MC58113s to be swapped out for testing or user configuration storage
  • High-performance on-card amplifier with current feedback supports all motor types
  • Interfaces to external Atlas, user-designed, or pulse/direction amplifier
  • RS-232, RS-485, CANbus, and SPI host communications
  • Single DC-voltage supply
  • Primary and auxiliary axis quadrature signal input with Index and Home capture
  • Hall sensor, Home, limits, AxisIn, and AxisOut signals
  • Support for overtemperature, overcurrent, over/undervoltage sense
  • High-current external shunt resistor support
  • Pulse/Direction signals with AtRest for use with external step motor amplifiers
  • Compact 3.3" x 4.7" standalone form factor (8.4cm x 11.9cm)

Applications

  • Medical and scientific applications
  • Industrial automation
  • Robotics

Kit Contents

  • MC58113 Developer Kit board
  • Pro-Motion software
  • Software Development Kit (SDK) with C-Motion
  • Complete manual set
  • Complete cable and prototyping connector set

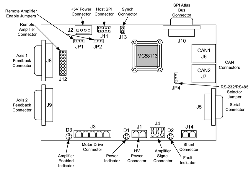
On-Card Components

Performance Motion Devices DK58113 Magellan® Motion Control IC Developer Kits
Veröffentlichungsdatum: 2024-09-20 | Aktualisiert: 2024-09-24