Phoenix Contact MACX MCR-VDC-Spannungsmessumformer für Gleichspannungen

Die Phoenix Contact MACX MCR-VDC Spannungsmessumformer für Gleichspannungen bieten Nutzern einstellbare Spannungsbereiche, bidirektionale Ausgangssignale und 3-Wege-Trennung. Weitere Merkmale sind zudem ZERO-/SPAN-Abgleich ±20%, werkzeugloses Parametrieren der Messwerte und Teach-In-Einstellung des Messwertbereichs.

Merkmale

  • 22.5mm width, 114.5mm depth, 99mm or 112.8mm height
  • Adjustable voltage ranges
  • Bidirectional output signals
  • 3-way isolation
  • ZERO/SPAN adjustment ±20%
  • Tool-free parameterization of measured values
  • Teach-in configuration of the measured value range
  • -25°C to +60°C ambient operating temperature range

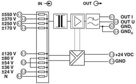
Block Diagram

Phoenix Contact MACX MCR-VDC-Spannungsmessumformer für Gleichspannungen
View Results ( 2 ) Page
Teilnummer Datenblatt Beschreibung Höhe Nennstrom Nennspannung
2906242 2906242 Datenblatt Anschlussblockschnittstellenmodule MACX MCR-VDC 112.8 mm 22 mA 660 V
2906243 2906243 Datenblatt Anschlussblockschnittstellenmodule MACX MCR-VDC-PT 99 mm 60 mA 24 VDC
Veröffentlichungsdatum: 2016-12-05 | Aktualisiert: 2022-03-11