Qorvo ACT510x 23-V-Auf-/Abwärtswandler
Qorvo ACT510x 23-V-Auf-/Abwärtswandler mit vier integrierten MOSFETs bieten einen hohen Wirkungsgrad, eine niedrige Anzahl Komponenten und eine kompakte Lösung für einen großen Eingangsspannungsbereich von 3,9 V bis 23 V. Die vier internen NMOS-Schalter mit niedrigem Widerstand dieser Wandler reduzieren die Größe der Applikations-Schaltung und die Leistungsverluste für eine Maximierung des Wirkungsgrads.Diese ACT510x Auf-/Abwärtswandler unterstützen eine programmierbare Stromversorgung (PPS) und bieten eine thermische Regelung sowie einen Übertemperaturschutz. Diese Wandler verwenden einen fortschrittlichen Schaltsteuerungs-Algorithmus, der die Aufrechterhaltung der Ausgangsspannungsregelung mit Eingangsspannungen ermöglicht, die größer, kleiner oder genauso groß wie die Ausgangsspannung sein können. Zu den typischen Applikationen gehören Powerbanks, Auto-Ladegeräte, solarbetriebene Geräte, 24-V-Industrieapplikationen, Festkörperbeleuchtungen und Automotive-Leistungssysteme.
Merkmale
- Auf-/Abwärtswandler mit vier integrierten Schaltern
- Großer VIN-Bereich (keine Totzone): 3,9 V bis 23 V
- Großer Ausgangsspannungsbereich: 3 V bis 23 V
- Unterstützt eine programmierbare Stromversorgung (PPS)
- Programmierbarer Ausgangs-LDO: 2 V ~ 5 V/100 mA
- Präzisions-Spannungsreferenz: 0,5 %
- Integrierter ADC für Temperatur-, Ein-/Ausgangsspannungs- und Stromüberwachung
- Programmierbare Ausgangsspannung und Ausgangsströme über sowohl IC-Pins als auch I²C
- Thermische Regelung und Schutz
- Programmierbarer Soft-Start
- Programmierbarer Sicherheits-Timer
- Freigabe-Pin für Ein-/Aus-Steuerung
- Über I²C programmierbar:
- Ausgangsspannung
- Ausgangsstrom
- Ausgangs-Soft-Start
- Thermisch verbessertes 32-Pin-QFN-Gehäuse von 4 mm x 4 mm
Applikationen
- Auto-Ladegeräte
- Powerbanks (Ladegeräte)
- Dockingstationen
- 24-V-Industrieapplikationen
- Automotive-Leistungssysteme
- Mehrere Stromquellenversorgungen
- DC-USV
- Solarbetriebene Geräte
- Solid-State-Beleuchtung
Evaluierungskits
Auto-Ladegerät mit 39-W-USB-C-/USB-A-Dual-Anschluss - Referenzdesign
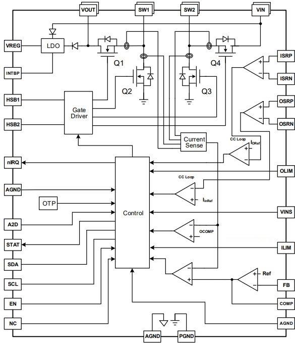
Funktionales Blockdiagramm
Veröffentlichungsdatum: 2019-09-11
| Aktualisiert: 2023-11-30
