Qorvo CMD316C3 Rauscharmer Verstärker
Der rauscharme CMD316C3-Verstärker von Qorvo ist ein breitbandiger monolithischer integrierter Mikrowellenschaltkreis (MMIC) mit einem Frequenzbereich von 6 GHz bis 20 GHz in einem bleifreien 3mm2 -Gehäuse zur Oberflächenmontage. Der rauscharme Verstärker der Baureihe CMD316C3 von Qorvo eignet sich hervorragend für Kommunikationssysteme mit kleiner Größe und geringem Stromverbrauch. Das Breitband-Bauteil liefert eine Gain von mehr als 20 dB mit einem entsprechenden 1-dB-Ausgangs-Kompressionspunkt von +15 dBm und einem Rauschfaktor von 2 dB. Der CMD316C3 verfügt über ein 50-Ω-angepasstes Design, das externe DC-Blöcke und eine HF-Anschlussanpassung überflüssig macht.Merkmale
- 6 GHz bis 20 GHz Frequenzbereich
- Gain (Verstärkung): 21 dB
- Rauschfaktor: 2 dB
- Eingaberücklaufverlust: 8 dB
- Ausgaberücklaufdämpfung: 12 dB
- Verlustleistung: 900 mW
- P1dB-Ausgang: 15 dBm
- IP3-Ausgang: 25 dB
- Versorgungsstrom: 100 mA
- Betriebstemperaturbereich: -40° C bis +85° C
- 3 mm x 3 mm QFN-Gehäuse
- Bleifrei und RoHS-konform
Applikationen
- Elektronische Kriegsführungssysteme (EW)
- Satellitenkommunikation (Satcom)
- Prüf- und Messsysteme
- Raumfahrt
- Phasige Arrays
- Radar
- C-Band
- X-Band
- Ku-Band
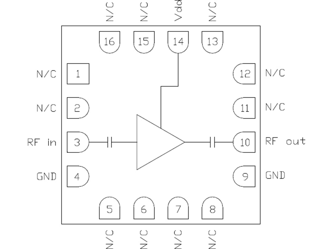
Blockdiagramm
Gehäuseabmessungen
Veröffentlichungsdatum: 2020-06-02
| Aktualisiert: 2024-08-21
