Qorvo CMD320C3 Extrem rauscharmer HF-Verstärker
Der extrem rauscharme HF-Verstärker CMD320C3 von Qorvo ist ein breitbandiger monolithisch integrierter Mikrowellenschaltkreis (MMIC) mit geringem Rauschen, der in einem bleifreien 3mm x 3mm großen oberflächenmontierten Gehäuse untergebracht ist. Dieser HF-Verstärker eignet sich hervorragend für elektronische Kriegsführungssysteme (EW) und Kommunikationssysteme, wo geringe Größe und niedriger Stromverbrauch erforderlich sind. Das CMD320C3-Bauteil von Qorvo ist für die Breitbandleistung optimiert und liefert eine Gain von 18 dB mit einem entsprechenden Rauschfaktor von 1,07 dB bei 12 GHz. Der CMD320C3-Verstärker ist ein 50-Ω -abgestimmtes Design, das externe DC-Blöcke und eine HF-Anschlussanpassung überflüssig macht.Merkmale
- Extrem niedriger Rauschfaktor
- Breitband-Leistung mit hoher Gain
- Geringe Verlustleistung
- Bleifrei, RoHs-konform
- QFN-Gehäuse von 3 mm x 3 mm
Technische Daten
- Frequenzbereich: 10,7 GHz bis 12,7 GHz
- Gain von 18 dB
- Rauschfaktor: 1,07 dB
- Versorgungsstrom: 32 mA
- Drain-Spannung: 5,5 Vdd
- Gate-Spannung: 3,3Vgg
- Verlustleistung: 921 mW
- Thermischer Widerstand: 70 °C/W)
- -40 °C bis +85 °C Betriebstemperaturbereich
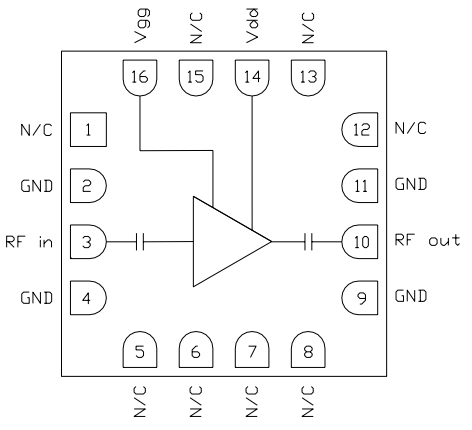
Blockdiagramm
Applikations-Schaltung
Applikationen
- Radar
- X-Band
- Ku-Band
- EW
- Raumfahrt
- Satellitenkommunikation (Satcom)
- Phasige Arrays
Veröffentlichungsdatum: 2020-05-22
| Aktualisiert: 2024-08-22
