Qorvo QPA3069 100-W-GaN-Leistungsverstärker
Der QPA3069 100-W-GaN-Leistungsverstärker von Qorvo ist ein verpackter Hochleistungs-S-Band-Verstärker, der sich hervorragend für militärische Radarsysteme eignet. Der Verstärker deckt einen Bereich von 2,7 GHz bis 3,5 GHz ab und wird mit dem 0,25-um-GaN-SiC-Verfahren (Gallium-Nitrid mit Silikonkarbid) (QGaN25) hergestellt. Der QPA3069 bietet eine gesättigte Ausgangsleistung von 50 dBm und eine Großsignal-Gain von 25 dB bei einem leistungsverstärkenden Wirkungsgrad von 53 %. Der QPA3069 ist in einem umspritzten 48-Pin-Kunststoffgehäuse von 7 mm x 7 mm untergebracht. Der QPA3069 MMIC ist mit DC-Sperrkondensatoren auf beiden HF-Anschlüssen ausgestattet, die auf 50 Ω abgestimmt sind.Merkmale
- Frequenzbereich: 2,7 GHz bis 3,5 GHz
- Gehäuseabmessungen: 7 mm x 7 mm x 0,85 mm
- 2x Kanäle
- Verlustleistung: 117 W
- Gain: 29,3 dB
- Betriebsversorgungsspannung: 30 V
- Betriebstemperaturbereich: -40° C bis +85° C
Technische Daten
- PSAT (PIN = 25 dBm): > 50 dBm
- PAE (PIN = 25 dBm): > 53 %
- Leistungsverstärkung (PIN = 25 dBm): > 25 dB
- Vorspannung: VD = 0 V, IDQ = 300 mA, PIN = 25 dBm
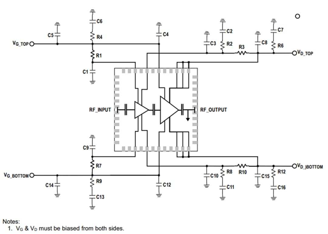
Typische Applikations-Schaltung
Blockdiagramm
Veröffentlichungsdatum: 2019-08-20
| Aktualisiert: 2023-11-28
