Qorvo QPA9421EVB-01 Evaluierungsboard
Das Qorvo QPA9418EVB-01 Evaluierungsboard ist eine Demonstrations- und Entwicklungsplattform für den QPA9421 Zweiphasen-Leistungsverstärker mit hoher Linearität. Der QPA9421 bietet eine Gain von 30 dB und eine lineare Leistung von +27 dBm über einen Frequenzbereich von 2,11 GHz bis 2,17 GHz. Dieser Verstärker kann mit einem LTE-Signal von 20 MHz und bei einer +27-dBm-Ausgangsleistung -50 dBc ACLR erzielen.Das QPA9421EVB-01 Evaluierungsboard verfügt über einen vorbestückten QPA9421 in einem kompakten unbedrahteten und oberflächenmontierbaren Gehäuse von 7 mm x 7 mm. Das Evaluierungsboard bietet eine Beispiel-Applikations-Schaltung, die ein schnelles Prototyping bei einem Einsatz in bestehende Designs ermöglicht.
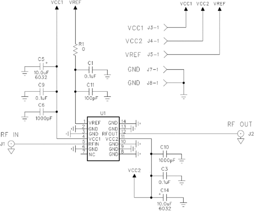
Applikations-Schaltung - Schaltplan
Videos
Veröffentlichungsdatum: 2019-09-30
| Aktualisiert: 2023-12-01
