Qorvo QPD1029L GaN-HF-IMFET-Transistor
Der GaN-HF-IMFET-Transistor (IMFET) QPD1029L von Qorvo ist ein diskreter 1.500 W (P3 dB) GaN-auf-SiC-High-Electron-Mobility-Transistor (HEMT). Dieser HF-IMFET wird in einem Frequenzbereich von 1,2 GHz bis 1,4 GHz betrieben. Der QPD1029L Transistor bietet eine einfache externe Board-Anpassung und spart Platz auf dem Board. Dieser Transistor von Qorvo ist ein RoHS-konformes Bauteil. Das IMFET-Transistorbauteil QPD1029L wird in einem Lufthohlraum-Industriestandard-Gehäuse verwendet und eignet sich hervorragend für Radar.Merkmale
- 1,2 GHz bis 1,4 GHz Frequenzbereich
- 1.500 W Ausgangsleistung (P3 dB) bei 1,3 GHz Load-Pull
- 21,3 dB Lineare Gain bei 1,3 GHz Load-Pull
- 75 % Typischer PAE3 dB bei 1,3 GHz Load-Pull
- 65 V Betriebsspannung
- Dauerwellen- (Continuous Wave, CW) und Impuls-fähig
Applikationen
- L-Band-Radarverstärker
- Radar
Blockdiagramm
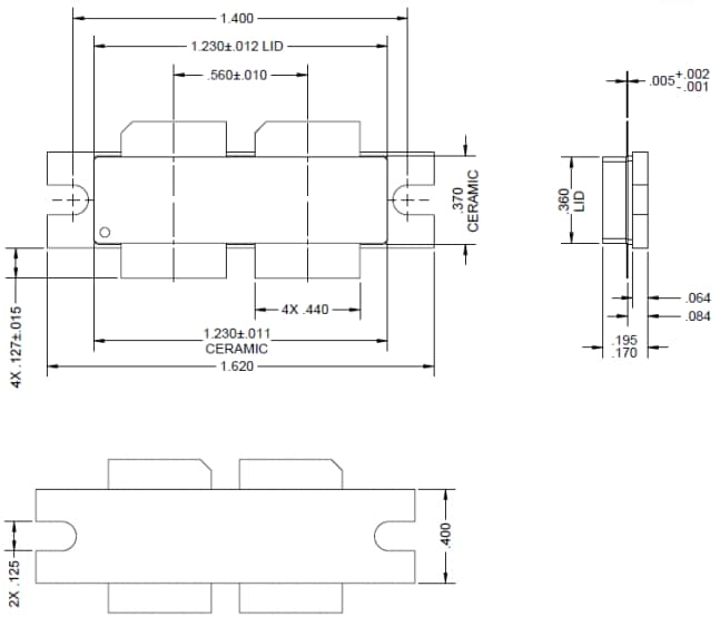
Mechanische Zeichnung (Zoll)
Weitere Ressourcen
Veröffentlichungsdatum: 2020-07-20
| Aktualisiert: 2024-08-23
