Qorvo QPM1002 GaN-T/R-Module mit 8,5 GHz bis 10,5 GHz
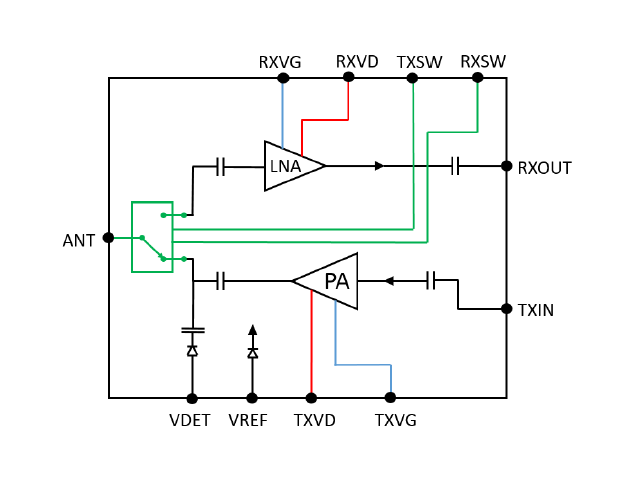
Die QPM1002 GaN-T/R-Module von Qorvo bieten einen Frequenzbereich von 8,5 GHz bis 10,5 GHz, der für X-Band-Radarapplikationen ausgelegt ist. Die QPM1002 Module bestehen aus einem T/R-Schalter, einem rauscharmen Verstärker und einem Leistungsverstärker. Der Empfangspfad bietet eine Gain von 25 dB mit einem niedrigen Rauschfaktor von 2,2 dB. Außerdem kann der Übertragungspfad mit einer Verstärkung für große Signale von 25 dB eine Kleinsignalverstärkung von 33 dB und eine Sättigungsleistung mit einem PAE von 32 % liefern.Das QPM1002 ist basierend auf dem QGaN25-0,25-um-GaN-auf-SiC-Verfahren von Qorvo hergestellt und bietet eine Eingangsleistung in den ANT-Anschluss von bis zu 2 W, wodurch die Notwendigkeit für einen Begrenzer entfällt. Das QPM1002 erzielt in einer Hochtemperaturumgebung eine gute Leistung und ist in einem oberflächenmontierbaren QFN-Gehäuse von 5 mm x 5 mm mit einer umspritzten Verkapselung untergebracht, das mit einem Verfahren mit hoher Wärmeleitfähigkeit für die Anbringung von Chips gekoppelt ist. Das Bauteil unterstützt aufgrund seiner Größe enge Gitterabstand-Anforderungen, die für X-Band-Phased-Array-Radarapplikationen erforderlich sind.
Merkmale
- Frequenzbereich: 8,5 GHz bis 10,5 GHz
- RX-Rauschfaktor: 2,2 dB
- RX-Kleinsignalverstärkung: 25 dB
- RX-Sättigungsleistung: 16 dBm
- RX-Ausgangs-TOI: 22 dBm
- TX-Kleinsignalverstärkung: 33 dB
- TX-Großsignalverstärkung: 25 dB
- TX-Sättigungsleistung: 35 dBm, gepulst
- TX-PAE: 32 % bei 35 dBm Pout, gepulst
- TX-Ausgangs-TOI bei 6 dBm Pin/Ton: 38,5 dBm
- TX-Oberwellenunterdrückung: 35 dBc
- Gehäuseabmessungen: 5 mm x 5 mm x 0,85 mm
Applikationen
- Elektronische Kriegsführung (EW)
- Kommerzielle und militärische Radars
- Kommunikation
Funktionales Blockdiagramm
Veröffentlichungsdatum: 2019-06-19
| Aktualisiert: 2025-08-27
