Qorvo QPM2637 X-Band-GaN-MMIC-Frontend-Modul (FEM)
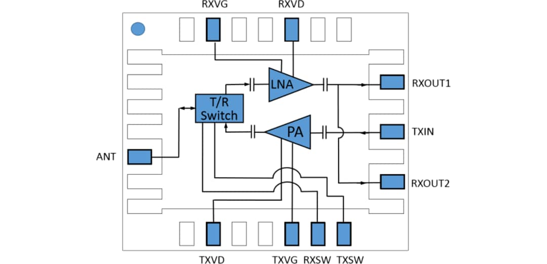
Das Qorvo QPM2637 X-Band-GaN(Galliumnitrid)-MMIC(Monolithic Microwave Integrated Circuit)-Frontend-Modul (FEM) von Qorvo ist für X-Band-Radarapplikationen im Bereich von 9,0 GHz bis 10,5 GHz optimiert. Das QPM2637 FEM enthält einen Sende-/Empfangsschalter, einen rauscharmen Verstärker und einen Leistungsverstärker. Der Empfangspfad verfügt über Dual-Ausgänge, die eine Gain von 21 dB und einen Rauschfaktor von 2,7 dB bieten. Der Übertragungspfad liefert eine Sättigungsleistung von 4 W mit einer Großsignal-Gain von 23 dB. Das FEM ist bis zu einer Eingangsleistung von 4 W Eingangsleistung in den Antennenanschluss robust, wodurch die Notwendigkeit für einen externen Begrenzer entfällt.Das QPM2637 FEM von Qorvo wird in einem proprietären QGaN25-GaN-auf-SiC-Verfahren von 0,25 µm hergestellt. Das Lufthohlraum-EHS-Gehäuse (Embedded Copper Heat Slug, EHS) zur Oberflächenmontage zusammen mit einem proprietären Chip-Anschlussverfahren ermöglicht dem QPM2637 eine gute Leistungsfähigkeit bei hohen Gehäusetemperaturen. Das Bauteil unterstützt aufgrund seiner kompakten Größe von 6,0 mm x 5,0 mm enge Gitterabstand-Anforderungen, die für X-Band-Phased-Array-Radarapplikationen erforderlich sind.
Merkmale
- Frequenzbereich: 9 GHz bis 10,5 GHz
- Rx-Rauschfaktor: 2,7 dB
- Rx-Kleinsignal-Gain: 21 dB
- Rx-Ausgangs-TOI: 21 dBm
- Rx-Spannung: 10 V
- Rx-Strom: 60 mA
- Tx-Kleinsignal-Gain: 32 dB
- Gesättigte Tx-Leistung: 36 dBm
- TX-Großsignal-Gain: 23 dB
- Tx-Leistungswirkungsgrad (PAE) von 38 % bei einem durchschnittlichen Pout von 36 dBm
- Lufthohlraum-EHS-Gehäuse von 6,0 mm x 5,0 mm x 1,8 mm
- Halogenfrei, bleifrei und RoHS-konform
Applikationen
- Kommerzielle und militärische Radars
- Kommunikation
- Elektronische Kriegsführung
Blockdiagramm
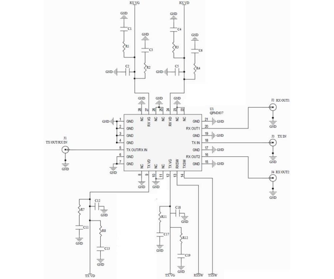
Typische Applikations-Schaltung
Veröffentlichungsdatum: 2021-12-06
| Aktualisiert: 2025-08-27
