Qorvo QPP0020 Breitband-/CATV-Transformator (3,06: 1 Verhältnis)
Der QPP0020 Breitband-/CATV-Transformator (3,06: 1 Verhältnis) von Qorvo ist für Applikationen ausgelegt, die kleine, kostengünstige und hochzuverlässige oberflächenmontierbare Komponenten erfordern. Diese Transformatoren bieten eine geringe Einfügungsdämpfung bei gleichzeitiger Aufrechterhaltung einer hohen HF-Leistungsfähigkeit über einen großen Betriebstemperaturbereich von -40°C bis 100°C. Die QPP0020 Audio-/Signalübertrager haben ein Impedanzverhältnis von 3.06:1, einen Wellenwiderstand von 75Ω und einen Betriebsfrequenzbereich von 45 MHz bis 1.218MHz Alle Transformatoren sind 100 % HF-getestet, bleifrei, RoHS-konform und in einem Industriestandard-SMT-Gehäuse SP6 verfügbar. Diese Transformatoren sind mit bleifreiem Löten bei 260°C kompatibel und in Gurtverpackung erhältlich. Zu den typischen Applikationen gehören Breitband/CATV und Universal-wireless.Merkmale
- Geringe Einfügungsdämpfung
- 100 % HF-getestet
- Kompatibel mit 260 °C bleifreiem Löten
- Industriestandard-SMT-Gehäuse SP6
- Als Gurtverpackung verfügbar
- Bleifrei und RoHS-konform
Technische Daten
- Absolute maximale Nennleistung:
- 1000 mA DC-Strom in Pin 4, T = 25°C
- 36 dBm HF-Leistung, CW, T = 25°C
- Betriebstemperaturbereich: -40 °C bis +100 °C
- Lagertemperaturbereich: -55 °C bis 100 °C
- 3 ° 06:1 Impedanzverhältnis
- 45 MHz bis 1218 MHz Betriebsfrequenzbereich
- 75 Ω Wellenimpedanz
Applikationen
- Breitband/CATV
- Universal-Wireless
Funktionales Blockdiagramm
Pad-Konfiguration und Beschreibung
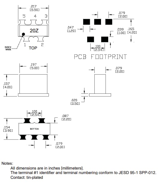
Maßdiagramm
Veröffentlichungsdatum: 2023-10-24
| Aktualisiert: 2024-07-24
