Qorvo QPX0001 I/Q-Mischer mit 6 bis 26 GHz
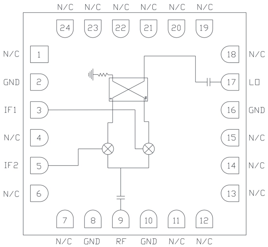
Der Qorvo QPX0001 6- bis 26-GHz-I/Q-Mischer ist ein kompakter Breitband-I/Q-GaAs-Mischer, der in einem oberflächenmontierbaren Keramikgehäuse von 3,9 mm x 3,9 mm untergebracht ist. Der Mischer arbeitet im Frequenzbereich von 6 GHz bis 26 GHz und kann als Mischer mit Bildunterdrückung, als Einseitenband-Aufwärtswandler oder als QPSK-Modulator/Demodulator konfiguriert werden. Der QPX0001 verwendet zwei doppelt symmetrische Mischerzellen und einen 90⁰-Hybrid innerhalb des MMICs. Ein externer 90⁰-ZF-Hybrid ist erforderlich, um die Bildunterdrückung oder Seitenbandunterdrückung zu vervollständigen. Der QPX0001 von Qorvo ist eine wesentlich kleinere Alternative zu teureren hybriden I/Q-Mischern und Einseitenband-Aufwärtswandlern.Merkmale
- I-, Q-Ausgänge
- 6 GHz bis 26 GHz HF, LO-Frequenzbereich
- DC - 3-GHz-ZF-Frequenzbereich
- Geringer Umwandlungsverlust von 8 dB bei 14 GHz
- Hohe Spiegelfrequenzunterdrückung: 25 dB
- Hohe LO/HF-Isolierung > 45 dB bei 14 GHz
- Große Betriebsbandbreite
- Gehäuseabmessungen: 3,9 mm x 3,9 mm x 0,9 mm
Applikationen
- Abwärtskonvertierung der Spiegelfrequenzunterdrückung
- Einzelseitenband-Modulation
- Rauscharme Empfängersysteme
- Phasenerkennung
- Elektronische Kriegsführungssysteme (EW)
- QPSK-Modulation/-Demodulation
Funktionales Blockdiagramm
Veröffentlichungsdatum: 2021-05-28
| Aktualisiert: 2022-03-11
