Raspberry Pi Rechenmodule 1, 3 und 3 Lite (CM1/CM3/CM3L)
Raspberry Pi Rechenmodule 1, 3 und 3 Lite (CM1/CM3/CM3L) sind mechanisch mit DDR2-SODIMM kompatibel und enthalten einen Prozessor, Speicher, eMMC-flash (CM1 und CM3) und die unterstützende Leistungsschaltung. Diese System-on-Module (SoMs) ermöglichen Benutzern, den Raspberry Pi Hardware- und Software-Stapel in Ihren eigenen Designs und Formfaktoren zu nutzen. Das CM1 verfügt über einen BCM2835 Prozessor (wie die ursprünglichen Raspberry Pi- und Raspberry Pi B+-Modelle), 512 MB LPDDR2 RAM und 4 GB eMMC-Flash. Das CM3 verfügt über einen BCM2837 Prozessor (wie Raspberry Pi 3), 1 GB LPDDR2 RAM und 4 GB eMMC-Flash. Das Lite-Modul (CM3L) ist identisch mit CM3, außer dass der eMMC-Flash nicht bestückt ist und SD-/eMMC-Schnittstellen-Pins für Benutzer verfügbar sind, um ein SD-/eMMC-Bauteil zu verbinden. Die Rechenmodule 1, 3 und 3 Lite von Raspberry Pi enthalten im Vergleich zu Raspberry Pi Modell A/B-Boards zusätzliche IO-Schnittstellen, wodurch mehr Design-Optionen für Benutzer verfügbar sind.Merkmale
- Kompakte Größen
- 4 GB eMMC-Flash-Speicher oder Lite-Ausführung ohne eMMC-Flash-Speicher
- Geringer Stromverbrauch
- Hohe Zuverlässigkeit
- Die Modul-IO-Pins haben eine harte Goldbeschichtung von 35 µ
- Kostengünstige Module
Technische Daten
- Peripherie
- 48x GPIO
- 2 x I2C
- 2 × SPI
- 2 x UART
- 2x SD/SDIO
- 1x HDMI 1.3a
- 1x USB2 HOST/OTG
- 1x DPI (paralleles RGB-Display)
- 1x NAND-Schnittstelle (SMI)
- 1x 4-Spur-CSI-Kamera-Schnittstelle (bis zu 1 GBit/s pro Spur)
- 1x 2-Spur-CSI-Kamera-Schnittstelle (bis zu 1 GBit/s pro Spur)
- 1x 4-Spur-DSI-Display-Schnittstelle (bis zu 1 GBit/s pro Spur)
- 1x 2-Spur-DSI-Display-Schnittstelle (bis zu 1 GBit/s pro Spur)
- Software
- Armv6 (CM1) oder Armv8 (CM3, CM3L) Befehlssatz
- Ausgereifter und stabiler Linux-Software-Stapel
- Neueste Linux-Kernel-Unterstützung
- Viele vorgeschaltete Treiber
- Stabiles und gut unterstütztes Userland
- Vollständige Verfügbarkeit von GPU-Funktionen mit Standard-APIs
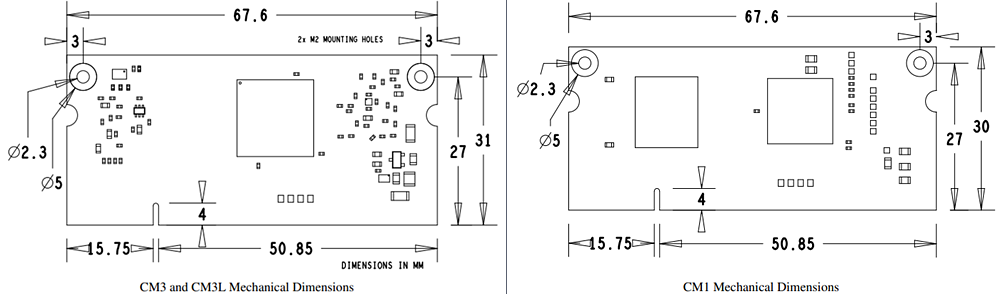
Abmessungen (mm)
Veröffentlichungsdatum: 2022-12-16
| Aktualisiert: 2023-01-11
