Raspberry Pi Sense HAT
Der Raspberry Pi Sense HAT ist eine Erweiterungsplatine, die dem Raspberry Pi eine Reihe von Sensorfunktionen verleiht. Die On-Board-Sensoren können Feuchtigkeit, Druck, Farbe, Temperatur, Bewegung und Ausrichtung überwachen. Die helle 8 x 8 RGB-LED-Matrix ermöglicht die Visualisierung der Sensordaten, während der Joystick mit fünf Tasten eine Benutzerinteraktion mit Projekten bietet. Der Sense HAT ist mit jedem Raspberry Pi-Computer mit einem 40-poligen GPIO-Steckverbinder kompatibel und wird von dem Raspberry Pi-Computer mit Strom versorgt, mit dem er verbunden ist. Eine offiziell unterstützte Python-Bibliothek bietet Zugriff auf alle On-Board-Sensoren, den Joystick und die LED-Matrix. Der Raspberry Pi Sense HAT eignet sich hervorragend für Projekte, die Ausrichtung, Bewegung, Positionierung oder Umgebungserfassung erfordern.Merkmale
- Sensoren
- Gyroscope
- Beschleunigungsmesser
- Magnetometer
- Temperatur
- Barometrischer Druck
- Feuchtigkeit
- Farbe und Helligkeit
- 8 x 8 RGB-LED-Matrix
- Joystick mit 5 Knöpfen
- Normen
- EMC 2014/30/EU
- RoHS-Richtlinie 2011/65/EU
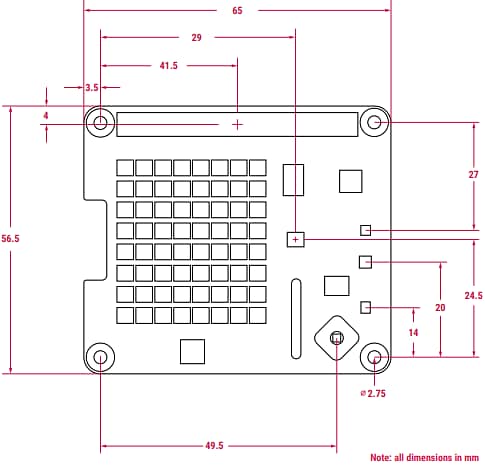
Abmessungen
Weitere Ressourcen
Veröffentlichungsdatum: 2023-06-09
| Aktualisiert: 2023-06-14
