RECOM Power RPA50S-W DC/DC Converters
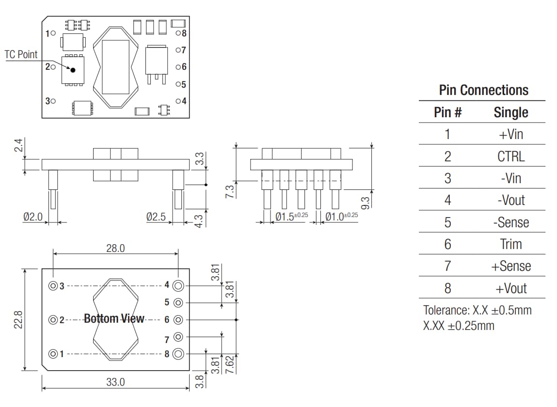
RECOM Power RPA50S-W DC/DC Converters are 50W DC/DC converters in an industry-standard 1/16th brick format (33mm x 23mm) that offers up to 91% efficiency. These RECOM converters deliver 40W output power from 18-75V or 50W from 36-75V input voltage ranges and the isolation voltage is 2.25kVDC/minute (basic insulation grade). The 4:1 input range covers 24V, 28V, or 48V nominal input voltages and the output voltage options are 3.3V, 5V, or 12V with -20% to 10% trim. These converters permit full load operation from -40°C to +54°C ambient temperature with free air convection and up to 85°C with forced air cooling.The RPA50S-W converters feature over temperature protection, over voltage protection, over current protection, short circuit protection, and under voltage lock-out protection. Applications include demanding industrial power supplies, telecom, and Power Over Ethernet (PoE) circuits.
Features
- Up to 91% efficiency
- Up to 50W output power
- 2.25kVDC basic isolation
- -20% to 10% output voltage trimming
- Remote On/Off and trim pins
- Protections:
- Over temperature
- Over voltage
- Over current
- Short circuit
- Under voltage lock-out
- ROHS and REACH compliant
Specifications
- 1/16th brick format (33mm x 23mm)
- 4:1 input voltage range (24V, 28V, or 48V nominal values)
- 3.3V, 5V, or 12V output voltage options
- -40°C to +54°C ambient temperature range
Applications
- Industrial power supplies
- Telecom industry
- Power Over Ethernet (PoE) circuits
Dimensions
Veröffentlichungsdatum: 2017-09-01
| Aktualisiert: 2022-05-12
