Renesas Electronics 8A34044 Vierkanal-Universal-Frequenzumsetzer
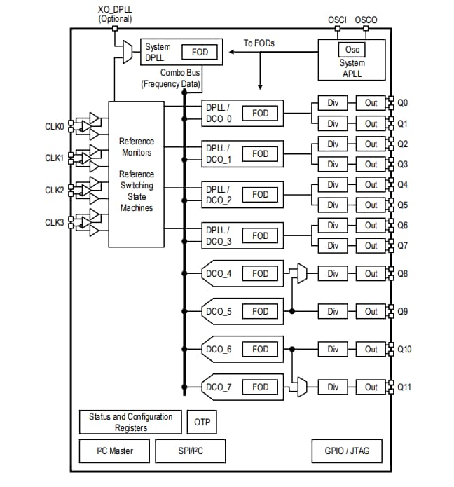
Renesas/IDT 8A34044 Vierkanal-Universal-Frequenzumsetzer bieten zwei digitale PLL-Kanäle (DPLL) und sechs digital gesteuerte Oszillatorkanäle (DCO). Die DPLLs sind zur Verriegelung von externen Referenzen in der Lage oder können im Freilauf arbeiten und als DCOs konfiguriert werden, die mit allen DPLLs synchronisiert werden können. Die DCOs können dann als Alternative über einen externen Altgorithmus für OTN-Applikationen (Optical Transport Network, OTN) gesteuert werden. Der 8A34044 von Renesas/IDT kann zur Synchronisation von Kommunikationsanschlüssen, Online-Karten oder -Tochterkarten verwendet werden, die mit Synchronisationsquellen über Backplanes oder andere Medien verbunden sind.Die 8A34044 Umsetzer unterstützen mehrere unabhängige Timing-Kanäle für die Takterzeugung, Jitter-Dämfung und Universal-Frequenzumsetzung. Der Eingang-zu-Eingangs-, Eingang-zu-Ausgangs- und Ausgang-zu-Ausgangs-Phasenversatz kann genau verwaltet werden. Das Bauteil gibt Takte mit extrem geringem Jitter aus, die direkt mit SERDES bei einem Betrieb von bis zu 28 GBit/s, einschließlich CPRI/OBSAI-, SONET/SDH- und PDH-Schnittstellen, synchronisiert werden können.
Merkmale
- Zwei unabhängige digitale PLLs (DPLLs)
- Sechs unabhängige digital gesteuerte Oszillatoren (DCOs)
- Jitterausgang unter 150 fs RMS (typisch)
- Verriegelung von DPLLs für alle Frequenzen von 1 kHz bis 1 GHz
- DPLLs/DCOs erzeugen alle Frequenzen von 0,5 Hz bis 1 GHz
- DCO-Ausgänge können in Phase und Frequenz auf die Ausgänge aller DPLLs oder DCOs ausgerichtet werden
- Unterstützt bis zu 2 differenzielle oder bis zu 4 einendige Referenztakteingänge
- Das Bauteil benötigt einen Quarzoszillator oder einen Grundmodus-Quarz: 25 MHz bis 54 MHz
- Unterstützt bis zu 12 Differential-Ausgänge oder 24 LVCMOS-Ausgänge
- Referenz überwacht qualifizierte/disqualifizierte Referenzen, je nach LOS, Aktivität, Frequenzüberwachung und/oder LOS-Eingangspins
- Automatische Referenzauswahl-Statusmaschinen wählen die aktive Referenz für jeden DPLL basierend auf den Referenzüberwachungen, Prioritätstabellen, Rückmelde- und Nicht-Rückmelde- sowie weiteren programmierbaren Einstellungen aus.
- Optionaler XO_DPLL-Eingang ermöglicht eine größere Auswahl von XO-, TCXO- oder OCXO-Frequenzen von 1 MHz bis 150 MHz für Applikationen, die einen lokalen Oszillator mit hoher Stabilität erfordern
- Serielle Prozessoranschlüsse unterstützen 1 MHz I2C oder 50 MHz SPI
- Das Bauteil kann sich nach einem Reset automatisch konfigurieren, und zwar über:
- Interner benutzerprogrammierbarer One-Time-Programmable-Speicher
- Standardmäßige externe I2C-EPROM über separaten I2C-Master-Anschluss
Applikationen
- Core- und Zugriffs-IP-Schalter/-Router
- Synchrone Ethernet-Ausstattung
- 10 Gb, 40 Gb und 100 GBit Ethernet-Schnittstellen
- Drahtlose Infrastruktur für 4.5G- und 5G-Netzwerkausrüstungen
- OTN-Muxponder und -Linecards
Blockdiagramm
Veröffentlichungsdatum: 2019-02-20
| Aktualisiert: 2023-06-13
