Renesas Electronics ISL94202 Li-Ion-Batteriesatz-Überwachungs-IC
Der Renesas/Intersil ISL94202 Li-Ion-Batteriesatz-Überwachungs-IC ist ein Lade-/Entladepfad-Li-Ion-Batterieüberwachungs-IC, der 3 bis 8 in Reihe geschaltete Zellen unterstützt. Diese ICs bieten eine vollständige Batterieüberwachung und Kontrolle von Batteriesätzen. Der ISL94202 bietet die automatische Abschaltung und Wiederherstellung nach Ausfällen sowie die automatische Regelung des Zellenausgleichs im Batteriesatz. Der ISL94202 ist als eigenständige Einheit hochgradig konfigurierbar, kann jedoch auch mit einem externen Mikrocontroller verwendet werden, der mit dem IC über eine I2C-Schnittstelle kommuniziert.Merkmale
- Spannungswächter für acht Zellen unterstützen Li-Ionen-CoO2-, Li-Ionen-Mn2O4- und Li-Ionen-FePO4-Chemien
- Eigenständige Batteriesatz-Überwachung; kein Mikrocontroller erforderlich
- Verschiedene Spannungsschutzoptionen (jede auf 4,8 V programmierbar; 12-Bit-Digitalwert)
- Wählbare Überstromschutzstufen
- Programmierbare Erkennungs-/Wiederherstellungszeiten für Über- und Unterspannung, Überstrom und Kurzschlüsse
- Erkennung der Unterbrechung der Batteriespannung
- Integrierte Lade-/Entlade-FET-Schaltung mit eingebauter Ladepumpe unterstützt High-Side-n-Kanal-FETs
- Zellenausgleich nutzt externe FETs mit interner Zustandsmaschine oder externem Mikrocontroller
- Konfigurations-/Kalibrierungsregister werden in EEPROM gehalten
- Wechselt in Stromsparmodi nach längerer Inaktivität
- Lade- oder Entladestromerkennung reaktiviert normale Scanraten
Applikationen
- Elektrowerkzeuge
- Notstromversorgung über Akku
- Leichte Elektrofahrzeuge
- Tragbare Ausrüstung
- Energiespeichersysteme
- Solar-Farmen
- Medizinische Geräte
- Krankenhausbetten
- Überwachungsgeräte
- Ventilatoren
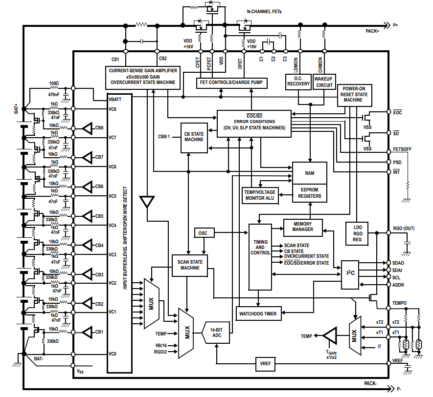
Blockdiagramm
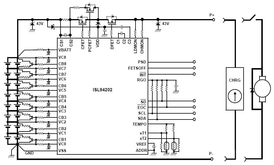
Applikations-Schaltungs-Diagramm
Veröffentlichungsdatum: 2019-03-08
| Aktualisiert: 2023-10-10
