Renesas Electronics Synchrone Auf-/Abwärts-Controller mit vier Schaltern
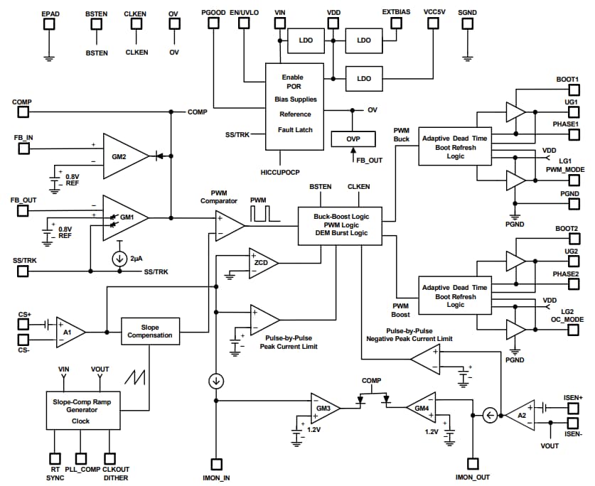
Die synchronen Auf-/Abwärts-Controller mit vier Schaltern von Renesas Electronics erfassen und überwachen den Spitzen- und durchschnittlichen Strom an beiden Enden. Der ISL81401 ist ein bidirektionales Bauteil, das den Strom in beide Richtungen leitet während der ISL81401A ein unidirektionales Bauteil ist. Die ISL81401, ISL81401A und ISL81601 verwenden den proprietären Auf-/Abwärts-Steueralgorithmus mit Talstrom-Modulation für den Aufwärtsmodus und Spitzenstrommodulation für die Abwärtssteuerung. Der ISL81601 verfügt über einen großen Eingangs- und Ausgangsspannungsbereich und eignet sich daher besonders gut für Industrie-, Telekommunikations- und Sekundärmarkt-Automotive-Applikationen.Merkmale
- Abwärts-/Aufwärts-Controller mit vier Schaltern und einer einzelnen Induktivität
- Bidirektionaler On-the-Fly-Betrieb mit unabhängiger Spannungs- und Stromsteuerung an beiden Enden
- Proprietärer Algorithmus für einen reibungslosen Modusübergang
- MOSFET-Treiber mit adaptivem Durchzündungsschutz
- ISL81401, ISL81401A: großer Eingangsspannungsbereich von 4,5 V bis 40 V
- ISL81401, ISL81401A: großer Ausgangsspannungsbereich von 0,8 V bis 40 V
- ISL81601: großer Eingangsspannungsbereich von 4,5 V bis 60 V
ISL81601: großer Ausgangsspannungsbereich von 0,8 V bis 60 V - Unterstützt einen vorgespannten Ausgang mit SR-Sanftanlauf
- Programmierbare Frequenz: 100 kHz bis 600 kHz
- Unterstützt die Parallelbetrieb-Stromteilung mit Kaskaden-Phasenverschachtelung
- Externe Synchronisierung mit Takt-AUS oder Frequenz-Dithering
- ISL81401, ISL81401A: externe Vorspannung für höheren Wirkungsgrad unterstützt einen Eingang von 5 V bis 36 V
- ISL81601: externe Vorspannung für höheren Wirkungsgrad unterstützt einen Eingang von 8 V bis 36 V
- Ausgangs- und Eingangsstrom-Überwachung
- Wählbarer PWM-Modusbetrieb zwischen PWM-/DE-/Aufwärtsmodi
- Präzise EN/UVLO- und PGOOD-Anzeige
- Niedriger Abschaltstrom: 2,7 µA
- Vollständiger Schutz: OCP, SCP, OVP, OTP und UVP
- Zweistufiger OCP-Schutz mit impulsweiser Strombegrenzung des durchschnittlichen Stroms und des Spitzenstroms.
- Wählbare OCP-Antwort mit Hiccup- oder Konstantstrom-Modus
- Negative impulsweise Spitzenstrombegrenzung
Applikationen
- Notstromversorgung mit Batterien
- UPS-/Speichersysteme
- Batteriebetriebene Industrieapplikationen
- Erneuerbare Energie
- Automotive-Sekundärmarket
- Ausfallsichere Netzteile
- Roboter und Drohnen
- Medizinische Geräte
- Gebäude- und Industrieautomatisierung
- Sicherheitsüberwachung
Veröffentlichungsdatum: 2018-10-08
| Aktualisiert: 2023-02-09
