Renesas Electronics ISL6144 Hochspannungs-O-Ring-MOSFET-Controller
Renesas Electronics ISL6144 Hochspannungs-O-Ring-MOSFET-Controller und n-Kanal-Leistungs-MOSFETs erhöhen den Wirkungsgrad und die Verfügbarkeit der Stromverteilung. Dies geschieht, wenn eine O-Ring-Leistungsdiode in Hochstromapplikationen ersetzt wird. Diese Controller arbeiten in einem Versorgungsspannungsbereich von 9 V bis 75 V. Die ISL6144 Controller mit Hochgeschwindigkeits-Komparator (HS) bieten eine sehr schnelle Anschwingzeit von < 0,3 µs auf einen satten Kurzschluss auf der Quellenversorgung. Diese MOSFET-Controller sind in einem QFN-Gehäuse erhältlich und sind RoHS-konform. Zu den Applikationen gehören Datei- und Netzwerkserver (12 V und 48 V), Telekommunikations-/Datenkommunikationssysteme, Stromverteilungssysteme mit einer N+1-Redundanz und O-Ring-MOSFET-Steuerung in Stromverteilungssystemen.Merkmale
- Großer Versorgungsspannungsbereich: 9 V bis 75 V
- Transientenleistung: 100 V
- Rückstrom-Fehlerisolierung
- Die interne Ladungspumpe ermöglicht die Verwendung des n-Kanal-MOSFETs
- Der HS-Komparator bietet eine sehr schnelle Anschwingzeit von < 0,3 µs auf einen satten Kurzschluss auf der Quellenversorgung
- Darüber hinaus bietet der HS-Komparator einen über einen Widerstand einstellbaren Auslösepegel
- Der HR-Verstärker ermöglicht ein leises MOSFET-Ausschalten von < 100 µs für die langsame Abschaltung der Stromversorgung
- Aktiver niedriger Open-Drain-Fehlerausgang mit einer Verzögerung von 120 µs
- In Gehäusen verfügbar, die den Anforderungen für Kriechstrecken gemäß UL60950 (UL1950) entsprechen
- QFN-Gehäuse:
- Konform mit JEDEC PUB95 MO-220
- QFN – Quad-Flat-Gehäuseabmessungen ohne Anschlüsse
- Near-Chip-Scale-Gehäuse-Footprint, der den PCB-Wirkungsgrad verbessert und über ein flacheres Profil verfügt
- Bleifrei (RoHS-konform)
Applikationen
- O-Ring-MOSFET-Steuerung in Stromverteilungssystemen
- Verteilte Stromversorgungssysteme mit einer N+1-Redundanz
- Datei- und Netzwerkserver (12 V und 48 V)
- Telekommunikations- oder Datenkommunikationssysteme
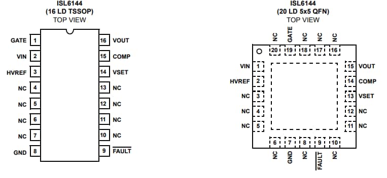
Pinbelegung – Diagramm
Blockdiagramm
Veröffentlichungsdatum: 2020-10-15
| Aktualisiert: 2022-03-11
